电路理论笔记
本文最后更新于:2023年10月7日 上午
第一章 基本概念和基本规律
电路和电路模型
实际电路与电路模型
- 实际电路:是由电的器件相互联接所构成的电流的通路。复杂的电路,又称网络。
- 电路模型:将实际电路中各个部件用其模型符号表示而画出的图形,也简称为电路。
- 实际电路的符号表示:在电路理论中将电阻器、电容器、灯泡、晶体管、变压器等实际器件用理想的模型符号表示。
集中参数电路与集中参数元件
- 集中参数元件:当实际电路的尺寸远小于其使用时电磁量的最高工作频率所对应的波长时,可以不必考虑电磁量的空间分布,相应的电路元件称为集中参数元件。
- 集中参数电路:由集中参数元件组成的电路。集中参数电路可以看成电磁空间的一个点,电路变量是时间的函数。
- 集中参数条件: $d \ll \lambda $
- 信号的波长: $\lambda=\frac{c}{f} $
- 分布参数电路:电路变量是时间、空间的函数。
- 满足集中化条件的电路的性质
- $\forall t$,流入二端集中参数元件任一端的电流等于从另一端流出的电流,且该元件两个端点上的电位均为确定值(对选定的基准点或称参考点而言)。
- $\forall t$,流入多端集中参数元件任一端点的电流等于从其他端点流出电流之和,且其任一端点上的电位均为确定值(对选定的基准点而言)。
电路变量
电流
- 定义:电流即电流强度
- 单位:电流的单位是安培(A),简称安。
电流的参考方向
- 电流的实际方向:规定为正电荷运动的方向。
- 电流的参考方向:假定为正电荷运动的方向。
- 规定:若二者方向一致,电流为正,反之,电流为负。
- 分析电路时,应首先设定参考方向!
电压
- 定义:电压即电路中两点之间的电位差,用u表示
- 单位:电压的单位为伏特(V)。
- 电压的实际方向:电位真正降低的方向。
- 电压的参考方向:假设的电位降低的方向。
- 分析电路时,应首先设定参考方向!
关联参考方向
若电流的流向是从电压的“+”极流向“-”极,则称为关联参考方向;反之为非关联参考方向。
- 分析电路时,一般设定关联参考方向!
功率和能量
- 定义:电场力做功的速率。取关联参考方向时,一段支路吸收的功率为(非关联参考方向时 $p=-u(t)i(t)$ )
- 单位:功率的单位为瓦特(W)
- 功率是代数量:
- $p>0$,电路吸收能量,$p$ 为吸收的功率
- $p<0$,电路提供能量,$p$ 为发出的功率
- 电路吸收的能量为 $w\left(t_{0}, t\right)=\int_{t_{0}}^{t} p(\xi) \mathrm{d} \xi=\int_{t_{0}}^{t} u(\xi) i(\xi) \mathrm{d} \xi$ ,能量的单位为焦耳(J)
电路基本规律
图论的基础知识
- 支路:电路中的每一个二端元件都可抽象为一条线段(直线或曲线),称为支路,数量记为 $b$
- 节点:电路中元件的连接点
- 图:一组节点和一组支路的集合,且每条支路的两端必须终止在两个节点上。网络图通常用符号 $G$ 表示。
- 连通图:在图 $G$ 中的任意两节点之间至少存在一条由支路构成的路径,则称该图为连通图,否则为非连通图。
- 有向图和无向图:图中的每一条支路都标有参考方向的图称为有向图,否则称为无向图。
- 子图:设有一图 $G$,又有一图 $G_i$ 其每个节点都是 $G$ 中的节点,每条支路是 $G$ 中的支路,则称 $G_i$ 是 $G$ 的子图。
- 回路:给定图 $G$ 的一个子图 $G_i$,如果 $G_i$ 是连通的,且其每一个节点仅与两条支路相关联,则称这个子图 $G_i$ 为回路。
- 性质:
- 是连通图
- 与每个节点关联的支路数恰好是 $2$ 条
树:对于任意一个连通图 $G$ ,如果它的子图 $G_i$ 满足
- 是连通图
- 包含图 $G$ 中的所有节点
- 不包含回路
则称子图 $G_i$ 为 $G$ 的一个树。
- 树支:构成树的各支路称为树支,数量记为 $b_{\mathrm{t}}$
- 连支:除树枝外的支路称为连支,数量记为 $b_{\mathrm{l}}$
- 余树(补树):连支的集合
- 平面图与非平面图:设一图 $G$,如果将其画在平面上,且不出现两条支路交叉于一个非节点处,那么称图 $G$ 为平面图,否则称为非平面图。
- 网孔:对于平面图 $G$的任一回路,如果在回路所限定的区域内没有支路,则称该回路为网孔。
- 内网孔:构成的回路内部都不存在支路的回路称为内网孔,简称网孔
- 外网孔:构成的回路内部存在支路,但其外部区域不包含支路的回路称为外网孔
- 割集:连通图 $G$ 的割集是一组不包括节点的支路集合,其满足
- 若移去该集的所有支路,则 $G$ 成为两个独立的部分
- 若保留其中任一支路不去掉,剩下的图仍是连通的
- 基本回路(独立回路):在选定树之后,如果每次只接上一条连支,就可以形成由一条连支和其他有关树支组成的回路,该回路称为基本回路。一般基本回路的绕行方向与这个连支的参考方向保持一致。
- 基本割集:对于任意连通图 $G$ ,选定一个树,每条树枝总能和若干条连枝构成一个割集,将这种仅包含一条树支的割集称为基本割集。
电路图论的基本结论
- 对于一个连通图 $G$,任意选定一个树 $T$,在 $G$ 的任何两个节点之间,总有由 $T$ 的树支组成的唯一路径。
- 对于一个具有 $n$ 个节点、$b$ 条支路的连通图 $G$,
基尔霍夫电流定律(KCL)
对于任一集中参数电路中的任一节点,在任一时刻,流入(或流出)该节点的所有支路电流的代数和等于零。
- KCL适用于任何集中参数电路,它与元件的性质无关。
- 对任一具有 $n$ 个节点,$b$ 条支路的电路列写KCL方程,所得方程组中的独立方程只有 $n-1$ 个。
- 为了得到独立的KCL方程,一般先选定参考节点,然后对参考节点以外的其他 $n-1$ 个节点列写KCL方程,这 $n-1$ 个节点称为独立节点。
- KCL也适用于电路中任一割集或闭合面,在任一时刻,流出(或流入)该割集(或闭合面)的所有支路电流的代数和等于零。
基尔霍夫电压定律(KVL)
对于任一集中参数电路中的任一回路,在任一时刻,沿该回路所有支路电压的代数和等于零。
- KVL适用于任何集中参数电路,它与元件的性质无关。
- 对任一具有 $n$ 个节点,$b$ 条支路的电路列写KVL方程,其独立方程数等于独立回路数。独立的KVL方程数为 $b-(n-1)$。
电路的两类约束
- 拓扑约束:取决于元件的相互连接方式
- 节点电流受 KCL 约束
- 回路电压受 KVL 约束
- 元件约束(VCR):取决于元件本身的特性
特勒根定理
形式一:功率定理
对于具有 $n$ 个节点和 $b$ 条支路的两个集中参数电路 $\mathrm{N}$,支路电压向量和支路电流向量分别用 $\boldsymbol{u}_{\mathrm{b}}=\left[u_{1}, u_{2}, \cdots, u_{b}\right]^{\mathrm{T}}$、$\boldsymbol{i}_{\mathrm{b}}=\left[i_{1}, i_{2}, \cdots, i_{b}\right]^{\mathrm{T}}$ 表示,支路电压、电流取一致参考方向,则有形式二:似功率定理
对于具有 $n$ 个节点和 $b$ 条支路的两个集中参数电路 $\mathrm{N}$ 和 $\hat{\mathrm{N}}$,它们可以由不同的元件构成,但却有相同的有向图。若二者的支路电压向量和支路电流向量分别用 $\boldsymbol{u}_{\mathrm{b}}=\left[u_{1}, u_{2}, \cdots, u_{b}\right]^{\mathrm{T}}$、$\boldsymbol{i}_{\mathrm{b}}=\left[i_{1}, i_{2}, \cdots, i_{b}\right]^{\mathrm{T}}$ 及 $\hat{\boldsymbol{u}}_{\mathrm{b}}=\left[\hat{u}_{1}, \hat{u}_{2}, \cdots, \hat{u}_{b}\right]^{\mathrm{T}}$、$\hat{\boldsymbol{i}}_{\mathrm{b}}=\left[\hat{i}_{1}, \hat{i}_{2}, \cdots, \hat{i}_{b}\right]^{\mathrm{T}}$ 表示,支路电压、电流取一致参考方向,则有- 特勒根定理适用于任何集中参数电路
- 特勒根定理反映了电路的互连性质,与电路元件的性质无关。
电阻电路元件
一个二端元件,如果在任一时间 $t$,其端钮间的电压(简称端电压) $u$ 和通过其中的电流 $i$ 之间的关系是由 $u-i$ 平面(或i-u平面)上的一条曲线所确定的,则此二端元件称为电阻元件,简称电阻。$u-i$ 平面(或 $i-u$ 平面)上的这条曲线称为电阻在时间 $t$ 的伏安特性曲线。
电阻所确定的电压-电流关系又称电阻的伏安特性。在任一时刻 $t$,电阻的伏安特性是一个代数方程
表达电阻的伏安特性曲线或伏安特性的方程称为电阻特性方程。
电阻分类
- 按照电压-电流关系分
- 线性电阻
- 非线性电阻
- 按照电压-电流关系与时间的关系分
- 时变电阻
- 非时变电阻
- 按照电压-电流关系分
电阻元件可以从外界吸收能量,也可以对外发出电能。
线性非时变电阻
- 定义:若一个电阻的伏安特性曲线是一条不随时间变化、通过原点的直线,则称为线性非时变电阻。
特性方程:
式中:
- 电压 $u$ 和电流 $i$ 取一致参考方向
- $R$ 称为电阻[值],单位是欧[姆] ($\Omega$),它的大小是电阻伏安特性曲线的斜率
- $G$ 称为电导[值],单位是西[门子] (S)。
- 电阻 $R$ 和电导 $G$ 互为倒数,即 $G=\frac{1}{R}$
特点:线性非时变电阻是一种满足欧姆定律的电阻。电阻值和电导值是描述电阻特性的一个参数。
正电阻与负电阻
上式中的 $R$ 或 $G$ 也可以取负值,此时电阻的伏安特性曲线是一条位于 $i-u$ 平面的第二、四象限内的直线
- 把 $R$ 或 $G$ 取负值的电阻称为负电阻
把 $R$ 或 $G$ 取正值的电阻称为正电阻
如果对所有时间 $t$,电阻伏安特性曲线位于 $i-u$ 平面的第一、三象限内,则这个电阻必然为正电阻
如果对所有时间 $t$,电阻伏安特性曲线位于 $i-u$ 平面的第二、四象限内,则这个电阻必然为负电阻。
工程中可以用其他电路器件构成的电路来实现负电阻特性。
短路与开路
- 当 $R=0$ 时,不论流经电阻的电流为多大,具两端的电压恒等于零,此时电阻相当于短路,短路的伏安特性曲线就是 $u-i$ 平面上与 $i$ 轴重合的直线。
- 当 $G=0$ 时,不论施加电阻两端的电压为多大,流经电阻的电流恒等于零,此时电阻相当于开路,其伏安特性曲线就是 $u-i$ 平面上与 $u$ 轴重合的直线。
线性时变电阻
- 定义:若一个电阻的伏安特性曲线是随时间变化、通过原点的直线,则称为线性时变电阻。
- 特性方程上式中,
- $R(t)= \frac{1}{G(t)}$
- $R(t)$ 和 $G(t)$ 分别是时变电阻在时刻 $t$ 的电阻和电导
理想开关
- 理想开关是一种典型的线性时变电阻
- 当理想开关 $S$ 被打开时,不管其两端电压为多少,流经S的电流恒为零,即处于开路状态
- 当理想开关 $S$ 被合上时,不管流经电流是多少,$S$ 两端的电压恒为零,即处于短路状态。
- 一个理想开关总是处于电阻 $R=\infty$ 或 $R=0$ 的状态。
双向电阻
- 定义:线性电阻的伏安特性曲线以原点为对称,称为双向电阻。
- 对线性电阻而言,如果点 $(u,i)$ 在伏安特性曲线上,则点 $(-u,-i)$ 也在伏安特性曲线上。
- 在实际应用中,那些可用线性电阻来模拟的实际电阻器的两个端钮不需要用标记加以区别,它可以任意地接到具体电路中去。
电阻元件的功率和能量
线性非时变电阻的功率:
显然,如果 $R、G$ 为正值,则 $p(t)$ 非负,电阻吸收电功率。因此 $R、G$ 为正值的电阻属于耗能元件
线性非时变电阻从时刻 $t_0$ 到时刻 $t$ 所吸收的能量为
显然,当 $R、G$ 为正值时,$u (t_0 ,t)$ 非负,表明电阻只吸收电能而不发出电能。
元件的种类
- 如果电路元件在所有的时刻 $t$,只吸收能量而不提供能量,则称该电路元件为无源元件
- 如果电路元件不是无源的,则此元件称为有源元件
- 一个电路元件为无源元件的充要条件是:对任意的 $t\ge -\infty$ ,该元件吸收的能量满足
既不储存能量又不消耗能量的元件称为非能元件,也叫无损元件
正电阻属于无源元件,其吸收的能量以热能等形式向周围空间散失
- 负电阻属于有源元件,它对外发出电能
电阻的一词多义
电阻往往作为电阻元件或电阻值的简称,但在习惯上也指实际的电阻器。
独立电源
- 定义:独立电源是实际电源的理想化电路元件模型,包括(独立)电压源和(独立)电流源。独立电源为实际工作的电路提供能量,在含电阻的电路中有电流流动时,就会不断地消耗能量,该能量就是由独立电源提供的。
电压源
- 电压-电流关系式中,$u_s$ 是给定的时间函数。当电压源是直流电源时,$u_s$ 为常数,常用 $U_s$ 表示;当独立电压源是时变电源时,$u$ 是时间 $t$ 的函数。
电流源
- 电压-电流关系式中,$i_s$ 是给定的时间函数。当电流源是直流电流源时,$i_s$ 为常数,常用 $I_s$ 表示;当电流源是时变电流源,即 $i_s$ 是时间 $t$ 的函数时。
电源的功率
对于独立电源来说,其端口电压和端口电流的参考方向可以任意选取。
- 如果端口电压和端口电流取非一致参考方向,则乘积 $ui$ 等于电源所发出的功率
- 如果端口电压和端口电流取一致参考方向,则乘积 $ui$ 等于电源所吸收的功率。
几种基本波形
- 独立电源的电压或电流对电路来说是一种输入,或者说是一种激励,代表外界对电路的作用。
- 独立电源可以是向电路提供电能的能源,也可以是向电路提供信号的信号源。
- 独立电源的电压或电流一般是随时间变化的,表现为各种各样的波形。
- 波形是函数在平面上的图形,函数是波形的数学表达式,所以波形和函数这两个概念是等效的。
直流波形
数学表达式:
上式中,$K$ 为常数。直流电压源和直流电流源就可以用直流波形来表示。
正弦波形
数学表达式:
上式中,
- 常数 $A_{\mathrm{m}}$ 称为振幅;
- 常数 $\omega$ 称为角频率,单位为 $rad/s$
- 常数 $\varphi$ 称为初始相位(初相),单位用弧度或度表示,$\varphi\le 180^{\circ}$。由
- 一个正弦波形是由 $A_{\mathrm{m}},\omega,\varphi$ 决定的,三者又称为正弦波形的三要素。
- 正弦波形也可以用余弦函数来表示
- 当 $\omega=0$ 时,正弦波形变成一个常量,因此直流波形可看作正弦波形的特例。
单位阶跃波形
单位阶跃波形的数学表达形式是单位阶跃函数,用符号 $\varepsilon(t)$ 来表示,其定义为
$\varepsilon(t)$ 是奇异函数,$t=0$ 时无定义,一般可取 $0、1$ 或 $1/2$
- 延迟单位阶跃波形
- 单位阶跃函数具有信号起始作用,可以用来规定任意波形的起始点
- 单位阶跃函数也称为开关函数
- 单位阶跃函数还可以用来表示其他的波形或函数,比如 $f(t)=A_{\mathrm{m}}\sin\omega t\cdot\varepsilon(t)$
单位脉冲波形
单位脉冲波形的数学表达形式是单位脉冲函数
式中,$\Delta$ 为任意常数。可以看出,波形包含的面积正好为1。
单位冲激波形
单位冲激波形的数学表达形式是单位冲激函数,又称狄拉克函数,用符号 $\delta(t)$ 表示,其定义为
上式中的积分值 $1$,称为冲激函数的强度
- 延迟单位冲激函数
冲激函数的性质
筛分性质
对任一在 $t=t_0$ 处连续的函数 $f(t)$ 满足结论:用一单位冲激函数去乘某一函数并进行积分,其结果等于被乘函数在单位冲激函数所在处的数值。这称为冲激函数的筛分性质(或抽样性质)。筛分性质是单位冲激函数特有的性质。
冲激函数可以用来表示一个任意波形。任意形状的波形 $f(t)$ 可以表示成
即任意波形可表示成由无限多个强度各异并依次连续出现的冲激波形(冲激序列)所组成。
冲激函数是阶跃函数的导数,阶跃函数是冲激函数的积分。
单位斜坡函数
对单位阶跃函数积分可得单位斜坡函数 $r(t)$或者
单位对偶冲激函数
若对单位冲激函数求导,则可得单位对偶冲激函数 $\delta^{\prime}(t)$或
受控电源
与独立电源不同,受控电源的输出波形受到电路中其他支路的电压或电流控制,也称为非独立电源。
电压控制型电流源(VCCS)
简称压控电流源
电流控制型电流源(CCCS)
简称流控电流源
电压控制型电压源(VCVS)
简称压控电压源
电流控制型电压源(CCVS)
简称流控电压源
- 电路图中的受控电源,一般只在受控电源的符号旁边标明控制关系
受控电源吸收的功率
受控电源与独立电源
两者都是有源元件,都能对外提供能量。独立电源本身能向电路提供能量,而受控电源向电路提供的能量来自于使该受控电源正常工作的外加独立电源,这是两者本质的区别。
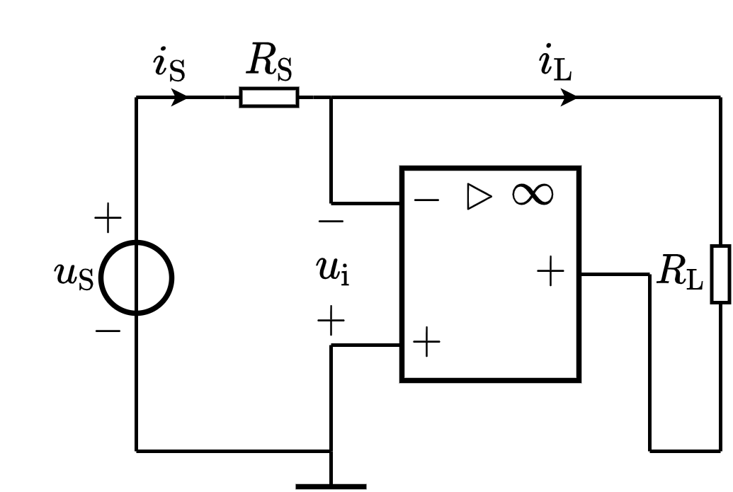
运算放大器
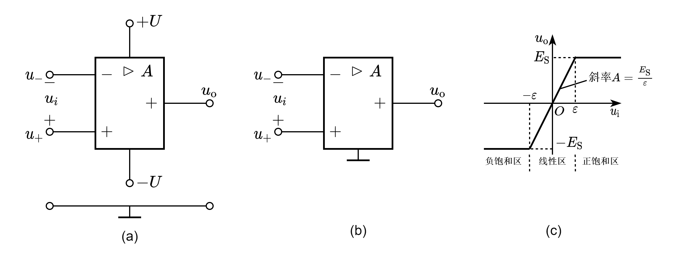
运放的符号及其输入输出特性曲线如图所示,其中图(a)中标注 $+U$ 和 $-U$ 字样的两个端钮是供接入直流工作电源的。$u_{-},u_{+},u_\mathrm{o}$ 分别是运放相应端钮对参考节点的电压。电压 $u_{i}=u_{+}-u_{-}$ 为差分输入电压,$u_\mathrm{o}$ 为输出电压。“$u_{-}$”对应“-”端钮,当输入 $u_{-}$ 单独加于该端钮时,输出电压 $u_\mathrm{o}$ 与输入电压 $u_{-}$ 反相,故称它为反相输入端。“$u_{+}$”对应“+”端钮,当输入 $u_{+}$ 单独由该端加入时,输出电压 $u_\mathrm{o}$ 与输入电压 $u_{+}$ 同相,故称它为同相输入端。在分析含运算放大器的电路时,可以不考虑工作电源,采用图(b)所示的电路符号。
运放的输入-输出特性如图(c)所示。如果运放工作于图中的线性区,其斜率 $A=E_s/\varepsilon$,称为运放的开环增益,此时运放的输出
因此,上图所示的运放可以用压控电压源来模拟
其中:$R_\mathrm{i}$ 表示运算放大器两输入端间的输入电阻,$R_\mathrm{o}$ 运算放大器的输出电阻。
线性区的范围是非常小的,如果运放在使用时不采取措施,则当运放受到干扰时 $u_\mathrm{i}$ 很容易超出线性区范围而使运放进入饱和区。常常采用负反馈的方式使运放稳定地工作在线性区。所谓负反馈,是指将一部分输出引到运放的反相输入端。如果将一部分输出引到运放的同相输入端,则称为正反馈。采用正反馈连接方式的运放一般工作在饱和区。运放在很多应用场合都采用反馈的连接方式。
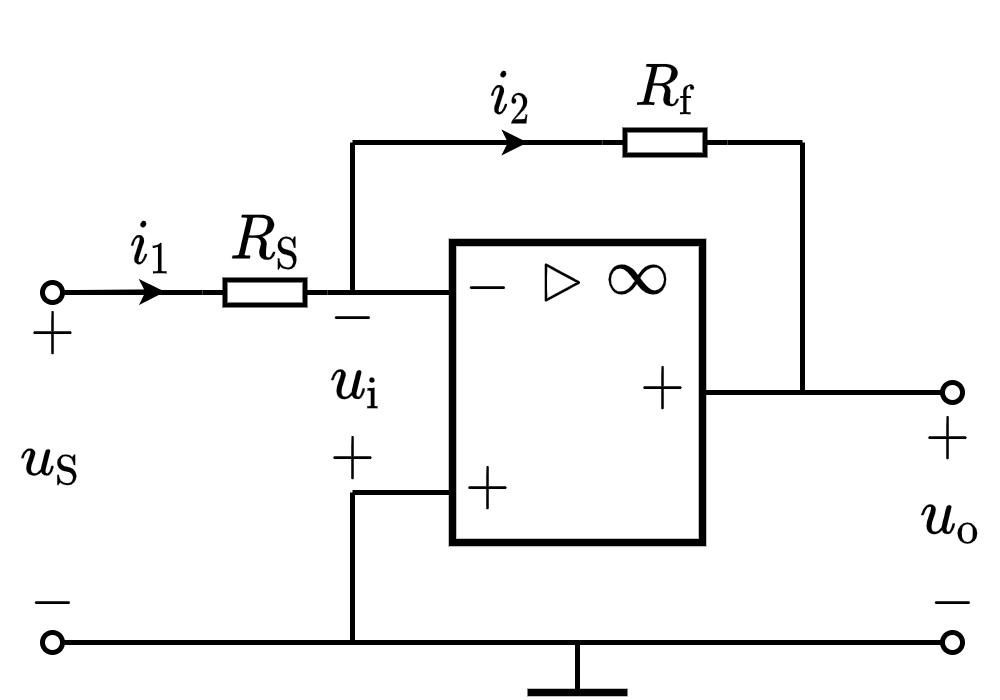
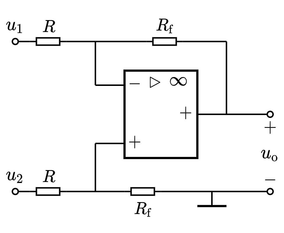
理想运放
- 定义:理想运放指具有下列参数的运放
重要特性
- 虚短
因为 $A\to\infty$,由于 $u_\mathrm{o}$ 为有限值,则 $u_\mathrm{i}\to 0$,两个输入端之间相当于短路,称为虚短路。在同相输入端接地的情况下,反相输入端与地同电位,称为虚地。 - 虚断
因为 $R_\mathrm{i}\to\infty$,输入电流等于零,即从输入端看进去,元件相当于开路,称为虚断路
如果将理想运放工作在非线性区,虚短特性不成立,虚断特性成立。
- 虚短
应用
理想变压器
理想变压器是铁芯变压器的理想化模型,它的唯一参数只是一个称之为变比的常数 $n$。若变压器的一次侧匝数为 $N_1$,二次侧匝数为 $N_2$,则变比 $n=\frac{N_1}{N_2}$。
图中标有“·”的两个端钮称为同名端,用来表示线圈的相互位置和绕向关系。
负转换器
性质
一个具有正电阻的电阻元件可以通过负转换器转换成一个具有负电阻的电阻元件。由于具有正电阻值的电阻元件为无源元件,而具有负电阻值的电阻元件为有源元件,因此负转换器是一种能把无源元件转换成有源元件的电路元件。
理想回转器

上式中,$r$ 和 $g$ 分别称为回转电阻和回转电导,简称回转比,为常数,$gr=1$。
- 理想回转器既不损耗又不存储能量,是一种无源元件(无损元件)
- 如果在回转器输出端口接上一个线性非时变电阻 $R$,则可以得到
- 回转器的重要应用之一是实现电感和电容之间的回转
差动放大器
第二章 电路分析的基本方法
电路的分类
- 线性电路与非线性电路
一个电路,如果根据元件约束和电路定律列出描述电路的方程(可能是代数方程、微分方程或积分方程)对激励(电路电源)而言为线性方程,则称该电路为线性电路;如果列出的电路方程为非线性方程,则称该电路为非线性电路。 - 时变电路与非时变电路
一个电路,如果其所含元件均为非时变元件,则列出的电路方程中的参数不随时间变化,这样的电路称为非时变电路;如果所含元件有一个、几个或全部是时变元件,则列出的电路方程中至少有一个参数是随时间变化的,这样的电路称为时变电路。 - 电阻电路与动态电路
如果构成电路的元件均为电阻元件,则列出的电路方程为代数方程,该电路称为电阻电路;如果构成电路的元件包含一个或几个动态元件,则列出的电路方程为微分方程或积分方程,该电路称为动态电路。
电路的等效变换
端口与电路
一个电路如果对外只有两个端钮,则从一个端钮流入的电流等于从另一个端钮流出的电流,则两个端钮构成一个端口。该电路整体称为一端口电路,也称二端电路。一个电路如果对外的端钮多于两个,则称为多端电路。如果一个多端电路的端钮能够成对构成多个端口,则此多端电路称为多端口电路
端口特性
构成端口的端钮上的电压与电流之间的关系通常称为端口特性。
- 一般式
如果一端口电路全部由线性电阻构成,不包括独立电源,其端口特性又可表示为
式中,$A$ 为与 $u,i$ 无关的函数,$A$ 称为一端口电路的等效电阻,也称为输入电阻。相应地,$\frac{1}{A}$ 称为一端口电路的等效电导,也称为输入电导。如果组成一端口电路的线性电阻为非时变的,则 $A$ 为实常数。
如果一端口电路全由线性电阻构成,并且包括独立电源,则其端口特性可表示为
式中,$A,B$ 为与 $u,i$ 无关的函数。如果组成一端口电路的线性电阻为非时变的,且独立电源为直流电源,则 $A,B$ 为实常数。
等效电路
- 多端电路的外特性(VCR)
$n$ 端电路需 $n−1$ 个方程来描述其外特性 - 等效电路的定义:
如果两个端点一一对应的 $n$ 端电路 $N_1$ 和 $N_2$ 具有相同的外特性,则二者相互等效,并互称等效电路。 - 外特性相同:相同的两组输入电压(或电流)分别接入两个网络,会得出相同的两组电流(或电压)。
- 外特性相同的两个等效网络,它们的的内部结构可以有很大的不同。
- 从一个网络变换成它的等效网络,称等效变换
- 等效变换的性质:如果两个电路等效,在两个电路的某些端钮(或端口)连接相同的任意电路,则得到的两个新电路也是相互等效的。
线性电阻的串并联
线性电阻的串联
(示意图略)分压公式
电阻的串联连接常用于分压,其中每个串联电阻所承受的电压为总电压的一部分。分压公式表达了 $n$ 个电阻串联后总电压在第 $n$ 个电阻上的分配比例式中,$u$ 表示 $n$ 个电阻串联电路的端口电压;$u_k$ 表示电阻 $R_k$ 两端的电压。
线性电阻的并联
(示意图略)分流公式
电阻的并联连接常用于分流,其中每个并联电阻所承受的电流为总电流的一部分。分流公式表达了 $n$ 个电阻并联后总电流在第 $n$ 个电阻中的分配比例。式中,$i$ 表示 $n$ 个电阻并联电路的端口电流;$i_k$ 表示流经电阻 $R_k$ 的电流。
推广到多个线性时变电阻的串联与并联
- 串联时的等效时变电阻为
- 并联时的等效时变电导为
独立电源的串并联
电压源的串联
电流源的串联
电压源与电流源的串联
相当于没有电压源
电压源的并联
只有端口电压相同且方向相同的两个电压源才可并联在一起形成一个一端口电路,此时电压源的电压电流源的并联
电压源与电流源的并联
相当于没有电流源
独立电源与电阻的串并联
- 两种典型电路
独立电源和电阻连接构成含源一端口电路。下图所示是两种典型的含源电路,其中一个电压源与一个线性非时变电阻的串联称为戴维宁电路;一个电流源与一个线性非时变电阻的并联称为诺顿电路。
- 戴维宁电路和诺顿电路互为等效。
- 戴维宁电路和诺顿电路常用作实际电源的电路模型。实际稳压电源工作时,其端口电压随端口电流的变化而略有变化,可用戴维宁电路来等效,其中 $u_\mathrm{S}$ 表示稳压电源空载(开路)时的输出电压,$R$ 表示稳压电源的等效内电阻。实际稳流电源工作时,其端口电流随端口电压的变化而略有变化,可用诺顿电路来等效,其中 $i_\mathrm{s}$ 表示稳流电源空载(短路)时的输出电流,$G$ 表示稳流电源的等效内电导。
电源转移
在对电路进行分析时,有时需要进行电源转移的等效变换。电源转移能使原来的非串、并联电路等效变换成新的、便于简化的串、并联电路。
一般来说:
- 将有电阻与之串联的电压源称为有伴电压源
- 将没有电阻与之串联的电压源称为无伴电压源
- 将有电阻与之并联的电流源称为有伴电流源
- 将没有电阻与之并联的电流源称为无伴电流源
- 电源转移可以将无伴独立电源等效变换为有伴独立电源。
无伴独立电压源的转移
无伴独立电流源的转移
含受控电源电路的等效变换
受控电源和独立电源有本质上的不同,但在列写电路方程和对电路进行简化时,可以把受控电源作为独立电源来对待。这样,前面所讲的有关独立电源的处理方法对受控电源就都能适用。
有伴电压控制型受控电源电路的等效变换
有伴电流控制型受控电源电路的等效变换
电阻网络的 $\mathrm{Y}-\Delta$ 变换
或者用电导表示:
- 如果 $\mathrm{Y}$ 形电路中三个电阻或 $\Delta$ 形电路中三个电阻的电阻值都相等,即 $R_1=R_2=R_3=R_\mathrm{Y}$ 或 $R_{12}=R_{23}=R_{31}=R_{\Delta}$ ,则对称 $\mathrm{Y}$ 形电路或对称 $\Delta$ 形电路,有
含等电压节点和零电流支路电路的等效变换
- 对于具有相等电压的两节点,节点间的电压为零,等效为短路,因此这两个节点可以用导线相连接
- 对于具有零电流的支路,支路电流为零,等效为开路,因此该支路可以断开。
翻转对称网络
- 绕位于其所在平面上的某一轴翻转(逆或顺)180°后,无论在几何上和电气上都保持不变。
- 由电压相等可断开经过轴的导线
旋转对称网络
- 绕垂直于其所在平面的轴(此轴与网络所在平面之交点用“o”表示)旋转180°(顺、逆时针皆可)后,无论在几何上和电气上都保持不变。
- 由电压相等可断开经过轴的导线
常见电阻网络
立方体电阻网络
正四面体电阻网络
任取两顶点A、B
电路的分析方法
几种分析法的比较
支路分析法
- 目标:确定电路中的各支路电压和支路电流。
- 直接求解:设所分析的电路具有 $b$ 条支路和 $n$ 个节点,则共有 $2b$ 个要求解的支路电压和支路电流变量。根据基尔霍夫定律可以列出 $n-1$ 个独立的KCL方程和 $b-(n-1)$ 个独立的KVL方程。根据元件的VCR又可列出 $b$ 个方程。三组方程合起来的方程数为 $(n-1)+(b-n+1)+b=2b$,恰好等于所要求的支路电压和支路电流的个数。因此,求解三组联立方程便可求得所有支路的电压和电流。这种方法称为 $2b$ 法。
- 优化:为了减少求解的方程数,可以利用元件的VCR将支路电压用支路电流表示,再代入KVL方程,或者将支路电流用支路电压表示,再代入KCL方程,这样都将得到 $b$ 个电路方程。
- 支路电流法:将支路电压用支路电流表示,代入KVL方程,以支路电流为变量列写电路方程来求解电路
- 支路电压法:将支路电流用支路电压表示,代入KCL方程,以支路电压为变量列写电路方程来求解电路
- 支路电流法和支路电压法统称为支路分析法,简称为 $1b$ 法。
- 采用支路电流法分析电路时,如果电路含有电流源,则电流源两端的电压为未知量,在KVL方程中将出现相应的电压未知项,在求解支路电流时应一并求出。
- 采用支路电压法分析电路时,如果电路含有电压源,则流经电压源的电流为未知量,在KCL方程中将出现相应的电流未知项,在求解支路电压时应一并求出。
回路分析法&网孔分析法
定义
- 回路分析法是以各回路电流作为未知变量来列写电路方程,并求解回路电流,进而求取各支路电流和支路电压的方法。此时所得方程称为回路方程。回路电流是假设的沿着每个回路边界构成的闭合路径自行流动的电流。
- 以各网孔电流作为未知变量来列写电路方程,并求解网孔电流,进而求取各支路电流和支路电压的方法称为网孔分析法。
一般步骤
- 指定支路电压和支路电流的参考方向,支路电压和支路电流取一致参考方向。
- 将诺顿电路转换为戴维宁电路
- 列出 $b-n+1$ 个回路的KVL方程
- 根据KCL和支路特性方程VCR,方程中的各个支路电压又可用回路电流来表示
- 解方程组
矩阵方法
具有 $m$ 个回路的线性电阻电路,其回路方程的形式可写成
可简写为:
- $\boldsymbol{I}$ 为回路电流列向量
- $\boldsymbol{U}_{\mathrm{S}}$ 为回路电压源列向量,$u_{\mathrm{S}_{\mathrm{m}i}}$ 表示回路 $i$ 中所有的电压源电压升的代数和。注意:要将诺顿电路转换为戴维宁电路,算入回路电压。
- 系数矩阵 $\boldsymbol{R}$ 为回路电阻矩阵
- 主对角线元素 $R_{ii}(i=1,2, \cdots, m)$ 为第 $i$ 个回路中所有电阻的总和,称为回路 $i$ 的自电阻。自电阻总为正。
- 非主对角线元素 $R_{i j}(i=1,2, \cdots, m ; j=1,2, \cdots, m ; i \neq j)$ 是回路 $i$ 和回路 $j$ 公共支路的电阻,称为互电阻。互电阻可正可负。如果回路电流在公共支路上的方向相同,则互电阻取正,相反则取负。
- 对不含受控电源的线性电阻电路来说,$R_{i j}=R_{j i}$,即回路电阻矩阵具有对称性。
注意
- 网孔只针对平面电路,故网孔分析法只适合于平面电路。
- 解应用网孔分析法分析含受控电源的电路时,可将受控电源当做独立电源来处理。
扩展:广义网孔
对于含有无伴电流源的电路可以采用广义网孔法进行分析,以减少网孔方程的数目。
节点分析法
定义
节点分析法是以电路中各节点电压作为未知变量来列写电路方程,从而求解节点电压,进而求取支路电压和支路电流的方法。对于一个具有 $n$ 个节点的电路,可以任选其中的一个节点作为参考节点,参考节点一旦选定,其他 $n-1$ 个节点的电压也就得以确定。由于参考节点的电位恒取为零,所以这 $n-1$ 个节点的电位就是它们与参考节点之间的电压,称为节点电压。为了求出各节点电压,应该先列出以独立节点电压为未知量的 $n-1$ 个独立方程是节点方程。
一般步骤
- 指定支路电压和支路电流的参考方向,支路电压和支路电流取一致参考方向。
- 将戴维宁电路转换为诺顿电路
- 列出 $n-1$ 个回路的KCL方程
- 根据KVL和支路特性方程VCR,方程中的各个支路电流又可用各节点电压来表示
- 解方程组
矩阵方法
具有 $n$ 个独立节点的线性电阻电路,其节点方程的形式可写成
可简写为:
- $\boldsymbol{U}$ 为节点电压列向量
- $\boldsymbol{I}_{\mathrm{S}}$ 为节点电流源列向量,$i_{\mathrm{S}_{kk}}$ 表示流入节点 $k$ 的所有电流源电流的代数和(流入节点的电流取正号,流出节点的电流取负号)。注意:要将戴维宁电路转换为诺顿电路,算入节点电流。
- 系数矩阵 $\boldsymbol{G}$ 称为节点电导矩阵
- 主对角线元素 $G_{ii}(i=1,2, \cdots, n)$ 为与节点 $i$ 相关联支路的电导的总和,称为节点 $i$ 的自电导。自电导总为正。
- 非主对角线元素 $G_{i j}(i=1,2, \cdots, n ; j=1,2, \cdots, n ; i \neq j)$ 是连接在节点 $i,j$ 之间的各支路电导总和的负值,称为节点 $i,j$ 间的互电导。互电导总为负
- 对不含受控电源的线性电阻电路来说,$G_{i j}=G_{j i}$,即节点电导矩阵具有对称性。
注意
- 对含运算放大器的电路,考虑到理想运算放大器的“虚断”和“虚短”特性,采用节点分析法更合适。
- 解应用节点分析法分析含受控电源的电路时,可将受控电源当做独立电源来处理。
扩展:广义节点
对于含有无伴电压源的电路可以采用广义节点法进行分析,以减少节点方程的数目。
广义支路
图中 $u_k$ 和 $i_k$ 分别表示支路 $k$ 的支路电压和支路电流。广义支路也称标准支路或一般支路,其中包括电阻、电压源和电流源。
特性方程为:
特性方程的矩阵形式
令 $k=1,2,\cdots,b$,便可得出所有支路的特性方程,将全部方程合成,写成矩阵形式,有
上式称为一般支路特性方程的矩阵形式,其中:
- $i_{\mathrm{b}}$ 和 $u_{\mathrm{b}}$ 分别为支路电流 向量和支路电压向量
- $u_{\mathrm{s}}=\left[u_{\mathrm{S} 1}, u_{\mathrm{S} 2}, \cdots, u_{\mathrm{s} b}\right]^{\mathrm{T}}$ 和 $i_{\mathrm{S}}=\left[i_{\mathrm{S} 1}, i_{\mathrm{S} 2}, \cdots, i_{\mathrm{S} b}\right]^{\mathrm{T}}$ 分别为电压源向量和电流源向量
- 对角矩阵 $\boldsymbol{R}_{\mathrm{b}}=\operatorname{diag}\left[R_{1}, R_{2}, \cdots, R_{b}\right]$ 为支路电阻矩阵
- 对角矩阵 $\boldsymbol{G}_{\mathrm{b}}=\operatorname{diag}\left[G_{1}, G_{2}, \cdots, G_{b}\right]$ 为支路电导矩阵。
- 支路电阻矩阵和支路电导矩阵都是一个 $b$ 阶的对角线矩阵,并互为逆矩阵,即 $\boldsymbol{G}_{\mathrm{b}}=\boldsymbol{R}_{\mathrm{b}}^{-1}$ 或 $\boldsymbol{R}_{\mathrm{b}}=\boldsymbol{G}_{\mathrm{b}}^{-1}$
- 如果广义支路含有受控电源,支路电阻矩阵和支路电导矩阵一般不再具有对角性质。
关联矩阵
节点-支路关联矩阵:描述图中节点对支路的关联关系的矩阵,简称关联矩阵
对于一个具有 $n$ 个节点、$b$ 条支路的有向图,定义关联矩阵 $\boldsymbol{A}_{\mathrm{a}}=\left[a_{i k}\right]_{n \times b}$,其中行号对应节点,列号对应支路,矩阵的第 $(i, k)$ 个元素 $a_{i k}$ 定义为
降阶关联矩阵
可以证明,一个连通图的 $\boldsymbol{A}_{\mathrm{a}}$ 的秩为 $n-1$,即 $\boldsymbol{A}_{\mathrm{a}}$ 中的任意一行都可由其他的 $n-1$ 行来确定。因此,可以把 $\boldsymbol{A}_{\mathrm{a}}$ 中的任意一行删去,得到一个具有 $n-1$ 行和 $b$ 列的矩阵,其秩为 $n-1$,称为降阶关联矩阵,通常记为 $\boldsymbol{A}$
网孔矩阵
网孔矩阵:用来描述有向图网孔与支路之间连接关系的全部信息的矩阵
对于一个具有 $n$ 个节点、$b$ 条支路的有向图,定义一个矩阵 $\boldsymbol{M}_{\mathrm{m}}=\left[m_{ik}\right]_{(b-n+2)\times b}$,其中行号对应网孔,列号对应支路,矩阵的第 $(i,k)$ 个元素 $m_{ik}$ 定义为
降价网孔矩阵
与关联矩阵类似,网孔矩阵 $\boldsymbol{M}_{\mathrm{m}}$ 的各行也不是相互独立的。可以证明,一个连通图的 $\boldsymbol{M}_{\mathrm{m}}$ 的秩为 $b-n+1$,即 $\boldsymbol{M}_{\mathrm{m}}$ 中的任意一行都可由其他的 $b-n+1$ 行来确定。因此,可以把 $\boldsymbol{M}_{\mathrm{m}}$ 中的任意一行删去,便得到一个具有 $b-n+1$ 行和 $b$ 列的矩阵,其秩为 $b-n+1$,称为降阶网孔矩阵,记为 $\boldsymbol{M}$。
基本回路矩阵
基本回路矩阵:描述连通图的回路和支路关系的矩阵。
对于一个具有 $b$ 条支路、$l$ 个基本回路的连通图,定义基本回路矩阵 $\boldsymbol{B}=\left[b_{i k}\right]_{l \times b}$,其中行号对应基本回路,列号对应支路,$\boldsymbol{B}$ 的第 $(i, k)$ 个元素 $b_{i k}$ 定义为
- 基本回路矩阵 $\boldsymbol{B}$ 的各行是相互独立的。
- 选取基本回路一般利用连支集来完成,具体取法如下:设有一个具有 $b$ 条支路、$n$ 个节点的连通图,对此图任意选出一个树,便可得一个连支集,该集包含的连支数为 $l=b-(n-1)$。然后对各个支路按先连支后树支(当然也可先树支后连支)的次序,即连支从 $1$ 到 $l$、树支从 $l+1$ 到 $b$ 进行编号。再每次取一条连支和若干条树支形成一个回路,直到连支取完为止。这样得到的回路为基本回路(或单连支回路),它们之间是相互独立的。基本回路的方向与回路中连支的参考方向选取为一致。
在按上述取法选取基本回路的情况下,$\boldsymbol{B}$ 具有下列形式
式中,$\boldsymbol{E}_{\mathrm{l}}$ 表示一个 $l$ 阶的单位矩阵;$\boldsymbol{B}_{\mathrm{t}}$ 表示一个 $l$ 行、$n-1$ 列的矩阵。
基本割集矩阵
基本割集矩阵:表达基本割集和支路的关系的矩阵。
对一个支路数为 $b$、基本割集数为 $c$ 的连通图,定义一个基本割集矩阵 $\boldsymbol{Q}=\left[q_{i k}\right]_{c \times b}$,其中行号对应割集,列号对应支路,$\boldsymbol{Q}$ 的第 $(i, k)$ 个元素 $q_{i k}$ 定义为
- 基本割集矩阵 $\boldsymbol{Q}$ 的各行是相互独立的。
- 选取基本割集可以借助于选定的树T来完成。具体的取法如下:设有一个具有 $b$ 条支路、$n$ 个节点的连通图,对此图可任意地选出一个树,其包含的树支数为 $n-1$ 个。然后对各个支路按先连支后树支(当然也可先树支后连支)的次序,即连支从 $1$ 到 $b-n+1$、树支从 $b-n+2$ 到 $b$ 进行编号。再每次取一条树支和若干条连支形成一个割集,直到树支取完为止。这样得到的割集为基本割集(或单树支割集),相互之间必然独立。基本割集的方向与割集中树支的参考方向取为一致。
在按上述取法选取基本割集的情况下,$\boldsymbol{Q}$ 具有下列形式:
上式中,$\boldsymbol{Q}_{\mathrm{l}}$ 是一个具有 $1,-1,0$ 元素的 $(n-1) \times 1$ 矩阵;$\boldsymbol{E}_{\mathrm{t}}$ 为 $n-1$ 阶的单位矩阵。
KCL用降阶关联矩阵表示
如果引入支路电流向量 $\boldsymbol{i}_b=[i_1,i_1,\cdots,i_b]^{\mathrm{T}}$ ,则可以得到KCL方程的矩阵形式为
KVL用降阶关联矩阵表示
如果引入支路电压向量 $\boldsymbol{u}_{\mathrm{b}}=\left[u_{1}, u_{2}, \cdots, u_{b}\right]^{\mathrm{T}}$ 和节点电压向量 $\boldsymbol{u}_{\mathrm{n}}=\left[u_{\mathrm{n} 1}, u_{\mathrm{n} 2}, \cdots, u_{\mathrm{n} n}\right]^{\mathrm{T}}$,则可以得到 KVL 方程的矩阵形式为
KCL用降阶网孔矩阵表示
如果引入网孔电流 $\boldsymbol{i}_{\mathrm{m}}=[i_{\mathrm{m}1},i_{\mathrm{m}2},\cdots,i_{\mathrm{m}(b-n+1)}]^{\mathrm{T}}$ 表示沿着每个网孔边界构成的闭合路径自行流动的假设电流向量,则用降阶网孔矩阵矩阵 $\boldsymbol{M}$ 表示的 KCL 方程的矩阵形式为
KVL用降阶网孔矩阵表示
用降阶网孔矩阵 $\boldsymbol{M}$ 表示的 KVL 方程的矩阵形式为
KVL用基本回路矩阵表示
假设 $\boldsymbol{u}_{\mathrm{b}}$ 表示支路电压向量,
如果将支路电压按照连支电压和树支电压进行分块,则可以写成
KCL用基本回路矩阵表示
一般情况,假设 $\boldsymbol{i}_{\mathrm{l}}=\left[i_{\mathrm{l}1}, i_{\mathrm{l}2}, \cdots, i_{\mathrm{l}l}\right]^{\mathrm{T}}$ 表示基本回路电流向量,$\boldsymbol{i}_{\mathrm{b}}=\left[i_{1}, i_{2}, \cdots, i_{b}\right]^{\mathrm{T}}$ 表示支路电流向量,基尔霍夫电流定律的基本回路矩阵形式为
KCL用基本割集矩阵表示
假设 $\boldsymbol{i}_{\mathrm{b}}$ 表示支路电流向量,则
如果将支路电流按照连支电流和树支电流进行分块,则上式可以写成
KVL用基本割集矩阵表示
假设 $\boldsymbol{u}_{t}=\left[\boldsymbol{u}_{\mathrm{t} 1}, \boldsymbol{u}_{\mathrm{t}2}, \cdots, \boldsymbol{u}_{\mathrm{t}(n-1)}\right]^{\mathrm{T}}$ 表示基本割集电压向量,$\boldsymbol{u}_{\mathrm{b}}$ 表示支路电压向量,基尔霍夫电压定律的基本割集矩阵形式为
网孔分析的矩阵方法
将用降阶网孔矩阵表示的KCL、KVL代入广义支路方程,得到网孔方程
令
网孔方程可简化为
上式中,$\boldsymbol{R}_{\mathrm{m}}$ 称为网孔电阻矩阵;$\boldsymbol{u}_{\mathrm{Sm}}$ 称为网孔电压源向量。网孔方程只有在 $\operatorname{det}\boldsymbol{R}_{\mathrm{m}} \neq 0$ 的条件下才有唯一解。
基本回路分析的矩阵方法
将用基本回路矩阵表示的KCL、KVL代入广义支路方程,得基本回路方程
令
基本回路方程可化简为
式中,$\boldsymbol{R}_{\mathrm{l}}$ 称为基本回路电阻矩阵;$\boldsymbol{u}_{\mathrm{Sl}}$ 称为基本回路电压源向量。必须注意,上式只有在 $\operatorname{det} \boldsymbol{R}_{\mathrm{l}} \neq 0$ 的条件下才有唯一解。
可通过观察法写出基本回路方程:
- $\boldsymbol{R}_{\mathrm{l}}$ 中的主对角元素 $\boldsymbol{R}_{ii}(i=1,2,\cdots,l)$ 是相应基本回路 $l_i$ 中的全部支路电阻之和,称为基本回路 $l_i$ 的自电阻。
- 非对角元素 $\boldsymbol{R}_{ij}(i,j=1,2,\cdots,l,i\neq j)$ 是相应基本回路之间的公共支路电阻之和,称基本回路的互电阻。互电阻可正可负,当两个基本回路电流在公共支路中的参考方向一致时取正号,参考方向相反时则取负号。
- 在 $\boldsymbol{u}_{\mathrm{Sl}}$ 中的分量是各相应基本回路中所有电压源(包括由电流源转换成电压源)电压的代数和,当电压源参考方向与回路方向一致时,电压源电压取负号,反之则取正号。
节点分析的矩阵方法
将用降阶关联矩阵表示的KCL、KVL代入广义支路方程,得节点电压矩阵方程
令
节点电压矩阵方程可简写为
式中,$\boldsymbol{G}_{\mathrm{n}}$ 称为节点电导矩阵;$\boldsymbol{i}_{\mathrm{Sn}}$ 称为节点源电流向量。必须注意,上式只有在 $\operatorname{det} G_{n} \neq 0$ 的条件下才具有唯一解。
基本割集分析的矩阵方法
将用降阶关联矩阵表示的KCL、KVL代入广义支路方程,得基本割集矩阵方程
令
基本割集矩阵方程可简写为
式中,$\boldsymbol{G}_{\mathrm{q}}$ 称为基本割集电导矩阵;$\boldsymbol{i}_{\mathrm{Sq}}$ 称为基本割集电流源向量。必须注意,上式只有在 $\operatorname{det} \boldsymbol{G}_{\mathrm{q}} \neq 0$ 的条件下才有唯一解。
可通过观察法写出基本割集矩阵方程:
- $\boldsymbol{G}_{\mathrm{q}}$ 中的主对角元素 $\boldsymbol{G}_{ii}(i=1,2,\cdots,c)$ 是相应基本回路 $c_i$ 中的全部支路电导之和,称为基本割集 $c_i$ 的自电导。
- 非对角元素 $\boldsymbol{G}_{ij}(i,j=1,2,\cdots,c,i\neq j)$ 是相应基本割集之间的公共支路电导的代数和,称为基本割集的互电导。互电导可正可负,当两个基本割集在公共支路中的参考方向一致时,公共支路电导取正号,参考方向相反时则取负号。
- $\boldsymbol{i}_{\mathrm{Sq}}$ 中的分量是各相应基本割集中所有电流源(包括由电压源转换成电流源)电流的代数和,当电流源参考方向与基本割集方向一致时,电流源电流取负号,方向不同则取正号。
电路的对偶性
对偶电路
如果电路 $N$ 的节点方程与电路 $\hat{N}$ 的网孔方程不仅形式相同,各项系数以及激励的数值相同,那么电路方程的解的数值也分别相等,称这样的两个电路互为对偶电路。
电路中常见的对偶关系
| 电压 | 电流 |
| KCL | KVL |
| 电阻 | 电导 |
| 电导 | 磁通 |
| 电流源 | 电压源 |
| 开路 | 短路 |
| VCCS | CCVS |
| VCVS | CCCS |
| 节点 | 网孔 |
| 参考节点 | 外网孔 |
| 串联 | 并联 |
| 割集 | 回路 |
| 树支 | 连支 |
| 基本割集 | 基本回路 |
| $T$形电路 | $\Pi$形电路 |
| 自电阻 | 自电导 |
| 互电阻 | 互电导 |
| 戴维宁定理 | 诺顿定理 |
| 互易定理1 | 互易定理2 |
| 电容 | 电感 |
| 阻抗 | 导纳 |
对偶电路的画法
- 取原电路的网孔,参考方向保持一致。
- 写出原电路的降阶网孔矩阵 $\boldsymbol{M}$
- 对偶电路的降阶关联矩阵 $\boldsymbol{A}=\boldsymbol{M}$
- 根据对偶电路的 $\boldsymbol{M}$ 补出关联矩阵 $\boldsymbol{A}_\mathrm{a}$
- 画出电路图,注意支路要取对偶
端口特性分析
一端口电路的端口特性
假设一端口电路与外部电路之间不存在任何电的或非电的耦合关系(例如,一端口电路不包含控制变量在该电路之外的受控电源、与电路之外的绕组有磁场耦合关系的变压器绕组等)
当在一端口电路的端口施以电流源,求取端口电压得到等效电阻时,该等效电阻称为驱动点电阻。当在一端口电路的端口施以电压源,求取端口电流得到等效电导时,该等效电导称为驱动点电导。
一端口电路的端口特性总可以用下面的式子来表示:
二端口电路的端口特性
总结
概论
对含电阻元件与受控电源的线性二端口电路,其端口VCR具体化为下列两个线性方程
或写成矩阵形式
含开路电阻参数的二端口方程
- 独立变量:端口电流 $i_1$ 和 $i_2$
- 等效激励:两个端口分别受到两个电流源 $i_1$ 和 $i_2$ 的共同激励
- 方程的解:称为“含开路电阻参数的二端口方程”。
- 矩阵形式:
- 用字母表示:其中
- 矩阵元素的含义:
- $r_{11}$ 是端口 $2$ 开路时端口 $1$ 的驱动点电阻
- $r_{12}$ 是端口 $1$ 开路时端口 $2$ 的驱动点电阻
- $r_{21}$ 是端口 $1$ 开路时的反向转移电阻
- $r_{22}$ 是端口 $2$ 开路时的正向转移电阻
- 四者均与端口开路有关,称为二端口电路的开路电阻参数
- 矩阵 $\boldsymbol{R}$ 称为二端口电路的开路电阻矩阵,它的元素称为 $r$ 参数。
- $r$ 参数等效电路

含短路电导参数的二端口方程
- 独立变量:端口电压 $u_1$ 和 $u_2$
- 等效激励:两个端口分别受到两个电压 $u_1$ 和 $u_2$ 的共同激励
- 方程的解:称为“含短路电导参数的二端口方程”。
- 矩阵形式:
- 用字母表示:其中
- 矩阵元素的含义:
- $g_{11}$ 是端口 $2$ 短路时端口 $1$ 的驱动点电导
- $g_{22}$ 是端口 $1$ 短路时端口 $2$ 的驱动点电导
- $g_{12}$ 是端口 $1$ 短路时,端口 $1$ 的电流与端口 $2$ 的电压之比,具有转移电导的性质,而且转移是从出口到入口,故称其为反向转移电导
- $g_{21}$ 也是转移电导,但因转移是从入口到出口,故称其为正向转移电导。
- 四者均与端口短路有关,故称为二端口电路的短路电导参数
- 矩阵 $\boldsymbol{G}$ 称为短路电导矩阵,它的元素称为 $g$ 参数。
- $g$ 参数等效电路

含混合参数的二端口方程(I)
- 独立变量:端口电流 $i_1$ 和端口电压 $u_2$
- 等效激励:端口 $1$ 受到电流源 $i_1$ 的激励,端口 $2$ 受到电压源 $u_2$ 的激励
- 方程的解:称为“第一种混合参数的二端口方程”。
- 矩阵形式:
- 用字母表示:其中
- 矩阵元素的含义:
- $h_{11}$ 是端口 $2$ 短路时,端口 $1$ 的驱动点电阻
- $h_{22}$ 是端口 $1$ 开路时,端口 $2$ 的驱动点电导
- $h_{12}$ 是端口 $1$ 开路时的反向电压传输比
- $h_{21}$ 是端口 $2$ 短路时的正向电流传输比
- 这4个元素不全是电阻或电导,称为二端口电路的第一种混合参数
- 矩阵 $\boldsymbol{H}$ 称为第一种混合参数矩阵,它的元素称为 $h$ 参数。
- $h$ 参数等效电路

含混合参数的二端口方程(II)
- 独立变量:端口电压 $u_1$ 和端口电流 $i_2$
- 等效激励:端口 $1$ 受到电压源 $u_1$ 的激励,端口 $2$ 受到电流源 $i_2$ 的激励
- 方程的解:称为“第二种混合参数的二端口方程”。
- 矩阵形式:
- 用字母表示:其中
- 矩阵元素的含义:
- $\hat{h}_{11}$ 是端口 $2$ 开路时,端口 $1$ 的驱动点电阻
- $\hat{h}_{22}$ 是端口 $1$ 短路时,端口 $2$ 的驱动点电导
- $\hat{h}_{12}$ 是端口 $1$ 短路时的反向电流传输比
- $\hat{h}_{21}$ 是端口 $2$ 开路时的正向电压传输比
- 这4个元素不全是电阻或电导,称为二端口电路的第二种混合参数
- 矩阵 $\hat{\boldsymbol{H}}$ 称为第二种混合参数矩阵,它的元素称为 $\hat{h}$ 参数
- $\hat{h}$ 参数等效电路
参数等效电路.drawio.png)
含传输参数的二端口方程(I)
- 独立变量:端口电压 $u_2$ 和端口电流 $i_2$
- 等效激励:无
- 方程的解:称为“含第一种传输参数的二端口方程”。
- 矩阵形式:
- 用字母表示:其中
- 矩阵元素的含义:
- $1/a_{11}$ 是端口 $2$ 开路时的正向电压传输比
- $1/a_{12}$ 是端口 $2$ 短路时的正向转移电导的负值
- $1/a_{21}$ 是端口 $2$ 开路时的正向转移电阻
- $1/a_{22}$ 是端口 $2$ 短路时的正向电流传输比的负值
- $a_{11},a_{12},a_{21},a_{22}$ 称为第一种传输参数
- 矩阵 $\boldsymbol{A}$ 称为第一种传输参数矩阵,它的元素称为 $a$ 参数
- $a$ 参数等效电路
(Todo)
含传输参数的二端口方程(II)
- 独立变量:端口电压 $u_1$ 和端口电流 $i_1$
- 等效激励:无
- 方程的解:称为“含第二种传输参数的二端口方程”。
- 矩阵形式:
- 用字母表示:其中
- 矩阵元素的含义:
- $1/\hat{a}_{11}$ 是端口 $1$ 开路时的反向电压传输比
- $1/\hat{a}_{12}$ 是端口 $1$ 短路时的反向转移电导的负值
- $1/\hat{a}_{21}$ 是端口 $1$ 开路时的反向转移电阻
- $1/\hat{a}_{22}$ 是端口 $1$ 短路时的反向电流传输比的负值
- $\hat{a}_{11},\hat{a}_{12},\hat{a}_{21},\hat{a}_{22}$ 称为第二种传输参数
- 矩阵 $\hat{\boldsymbol{A}}$ 称为第二种传输矩阵,它的元素称为 $\hat{a}$ 参数
- $\hat{a}$ 参数等效电路
(Todo)
二端口电路各参数间的关系
二端口电路六种矩阵存在的判定
当 $\operatorname{det}\left[\begin{array}{ll}c_{11} & c_{12} \\ c_{21} & c_{22}\end{array}\right]=0$ 时,二端口电路无 $\boldsymbol{R}$ 矩阵。
当 $\operatorname{det}\left[\begin{array}{ll}d_{11} & d_{12} \\ d_{21} & d_{22}\end{array}\right]=0$ 时,二端口电路无 $\boldsymbol{G}$ 矩阵。
当 $\operatorname{det}\left[\begin{array}{ll}c_{11} & d_{12} \\ c_{21} & d_{22}\end{array}\right]=0$ 时,二端口电路无 $\boldsymbol{H}$ 矩阵。
当 $\operatorname{det}\left[\begin{array}{ll}d_{11} & c_{12} \\ d_{21} & c_{22}\end{array}\right]=0$ 时,二端口电路无 $\hat{\boldsymbol{H}}$ 矩阵。
当 $\operatorname{det}\left[\begin{array}{ll}c_{11} & d_{11} \\ c_{21} & d_{21}\end{array}\right]=0$ 时,二端口电路无 $\boldsymbol{A}$ 矩阵。
当 $\operatorname{det}\left[\begin{array}{ll}c_{12} & d_{12} \\ c_{22} & d_{22}\end{array}\right]=0$ 时,二端口电路无 $\hat{\boldsymbol{A}}$ 矩阵。
二端口电路互易的性质
互易二端口电路的参数矩阵的元素满足
表征互易二端口电路的任一参数矩阵中只有三个元素是独立的。这就是说,只需进行三次计算或测量即可确定参数矩阵中的四个元素。
二端口电路互易对称的性质
如果互易二端口电路的两个端口可以交换而端口的电压、电流的数值不变,则称该二端口电路是对称的。对称二端口电路的参数矩阵的元素还满足如下附加关系
对称二端口电路必是互易的,反之不然。
表征对称二端口电路的任一参数矩阵中只有两个元素是独立的。这就是说,只需进行两次计算或测量即可确定参数矩阵中的四个元素。
二端口电路的互连
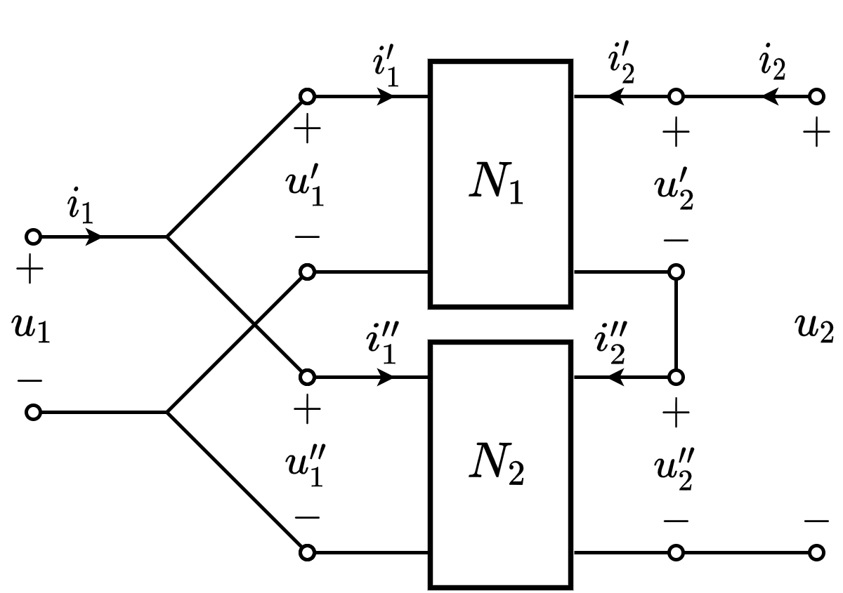
串联
端口特性:
上式表明:由两个子二端口电路串联而成的总二端口电路,其开路电阻矩阵 $\boldsymbol{R}$ 等于两个子二端口电路的开路电阻矩阵 $\boldsymbol{R}_1,\boldsymbol{R}_2$ 之和
- 有效性测试:
先将电路接成下图(a)的形式,并用电压表测两个二端口电路输出端钮间的电压;再将电路改接成下图(b)的形式,并用电压表改测两个二端口电路输入端钮间的电压。若在这两次测量中电压表的读数均为零,即 $u_{\mathrm{V}1}=0$ 和 $u_{\mathrm{V}2}=0$,则可断定连接有效。
可以证明:满足有效性测试,即 $u_{\mathrm{V} 1}=0$ 和 $u_{\mathrm{V} 2}=0$ 是式 $\boldsymbol{R}=\boldsymbol{R}_{1} +\boldsymbol{R}_{2}$ 成立的充分必要条件。
并联
端口特性:
上式表明:由两个子二端口电路并联而成的总二端口电路,其短路电导矩阵 $\boldsymbol{G}$ 等于两个子二端口电路的短路电导矩阵 $\boldsymbol{G}_1,\boldsymbol{G}_2$ 之和
- 有效性测试:
先将电路接成下图(a)的形式,并用电压表测两个二端口电路输出端钮间的电压;再将电路改接成下图(b)的形式,并用电压表改测两个二端口电路输入端钮间的电压。若在这两次测量中电压表的读数均为零,即 $V_1=0$ 和 $V_2=0$,则可断定连接有效。
可以证明:满足有效性测试是式 $\boldsymbol{G}=\boldsymbol{G}_{1}+\boldsymbol{G}_{2}$ 成立的充分必要条件。
串-并联
端口特性:
上式表明:由两个子二端口电路串-并联而成的总二端口电路,其第一种混合参数矩阵 $\boldsymbol{H}$ 等于两个子二端口电路的第一种混合参数矩阵 $\boldsymbol{H}_1,\boldsymbol{H}_2$ 之和
- 有效性测试:
(Todo)
可以证明:满足有效性测试是式 $\boldsymbol{H}=\boldsymbol{H}_{1}+\boldsymbol{H}_{2}$ 成立的充分必要条件。
并-串联
端口特性:
上式表明:由两个子二端口电路并-串联而成的总二端口电路,其第二种混合参数矩阵 $\hat{\boldsymbol{H}}$ 等于两个子二端口电路的第二种混合参数矩阵 $\hat{\boldsymbol{H}}_1,\hat{\boldsymbol{H}}_2$ 之和
- 有效性测试:
(Todo)
可以证明:满足有效性测试是式 $\hat{\boldsymbol{H}}=\hat{\boldsymbol{H}}_{1}+\hat{\boldsymbol{H}}_{2}$ 成立的充分必要条件。
级联
端口特性:
上式表明:由两个子二端口电路级联而成的总二端口电路,其第一种传输参数矩阵 $\boldsymbol{A}$ 等于两个子二端口电路的第一种传输参数矩阵 $\boldsymbol{A}_1,\boldsymbol{A}_2$ 之积
- 有效性测试:
很明显,这种连接方式不会出现端口电流约束条件遭到破坏的情况,所以不需要做有效性测试。
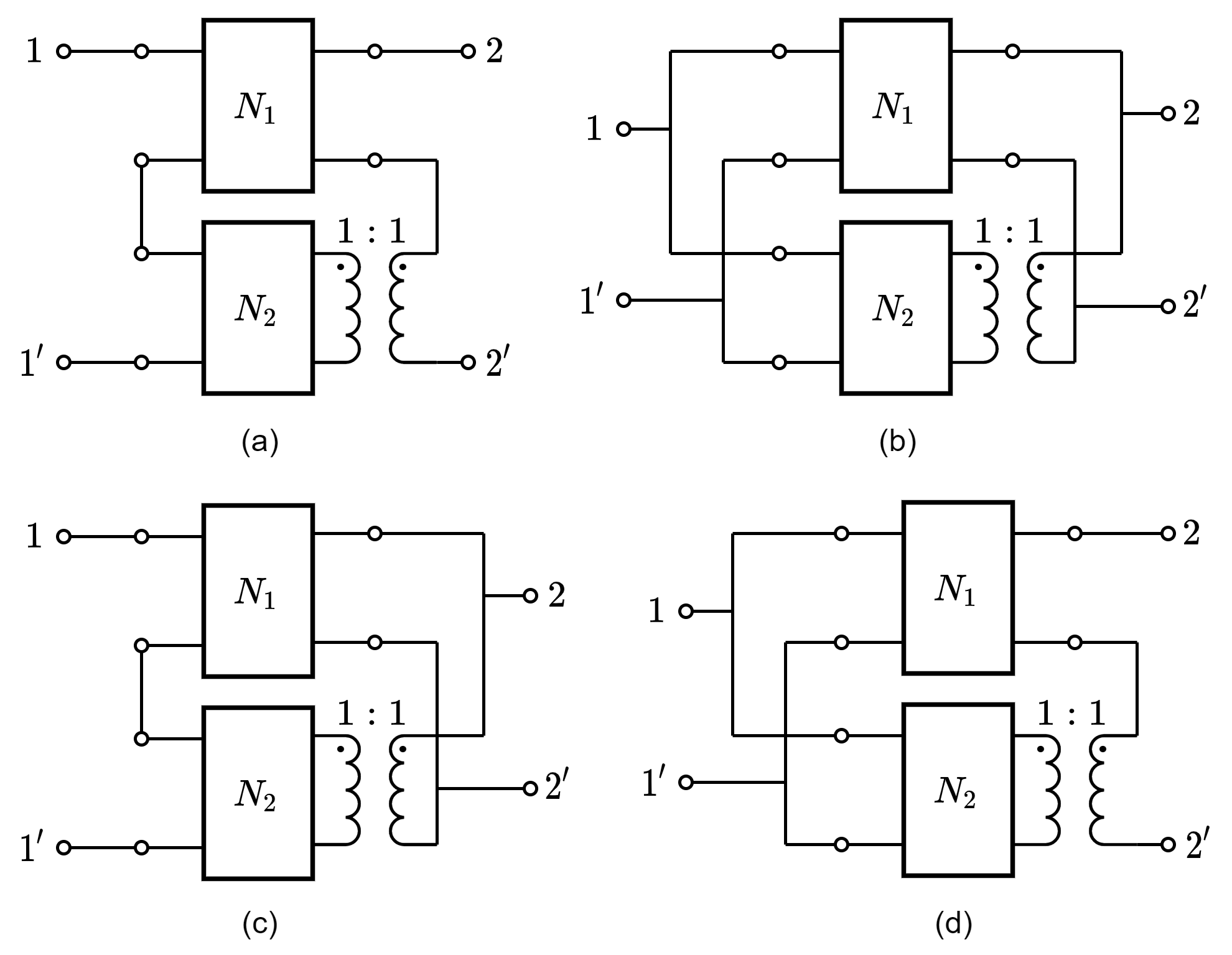
通过变压器连接
如果两个二端口电路互连时是无效连接,则可以在不满足有效连接的端口中接入一个 $n=1$ 的理想变压器,此时连接一定是有效的。下图分别给出了二端口电路串联、并联、串-并联、并-串联的变压器隔离方法。值得指出的是,理想变压器可以接入两个二端口电路中的任意一个端口。
常见二端口电路的参数矩阵
T形电路
上下单电阻
上端单电阻
具有端接的二端口电路
当二端口电路的输入端口和输出端口都接上一个一端口电路时(如下图),称此二端口电路有了端接。
含独立电源二端口电路的端口特性
第三章 电路定理
齐次性定理
在只有一个激励(电压源和电流源) $w$ 的线性电路中,取电路中任意支路电流或支路电压为响应 $y$,当激励增大或缩小 $a$ 倍($a$为实数)时,响应也将同样增大或缩小 $a$ 倍。
还可以表述为:在只有一个激励(电压源和电流源)的线性电路中,任一响应(电压或电流)都是激励的比例函数。
于是定义
则 $H$ 为一实数,称为网络函数。
对于含有多个激励的线性电阻电路,同样满足齐次性。此时齐次性定理可表述为:在含有多个激励的线性电阻电路中,当所有激励(电压源和电流源)都同时增大或缩小 $a$ 倍($a$ 为实数)时,响应(电压和电流)也将同样增大或缩小 $a$ 倍。
在应用齐次性定理时,应注意激励是指独立电源,
并且必须在电路具有唯一解的条件下才能成立
叠加原理
叠加定理可表述为:在线性电路中,任一电压或电流都是电路中各个独立电源单独作用时,在该处产生的电压或电流的叠加。
设线性电路中有 $n$ 个独立电源 $w_i (i= 1,2,\cdots,n)$,取电路中任意支路电流或支路电压为响应 $y$,由齐次性定理可得响应 $y$ 为
上式中,$H_i$ 为网络函数
对给定的线性电阻电路,$H_i$ 为实数。
在应用叠加定理时,激励是指独立电源,并且必须在电路具有唯一解的条件下才能成立。
当电路中存在受控电源时,叠加定理仍然适用。受控电源的作用仅反映在回路电流方程或节点电压方程中的自电阻和互电阻或自电导和互电导中,所以任一处的电流或电压仍可按照各独立电源单独作用时在该处产生的电流或电压的叠加计算。对含有受控电源的电路应用叠加定理,在进行各分电路计算时,仍应把受控电源保留在各分电路之中。
齐次性定理和叠加定理的应用
- 叠加定理适用于线性电路、不适用于非线性电路。
- 在进行叠加的各分电路中,不作用的电压源置零,将电压源两端用短路代替;不作用的电流源置零,将电流源两端用开路代替。电路中所有电阻都不予更动,受控电源仍保留在各分电路中。
- 叠加时各分电路中的电压和电流的参考方向取为与原电路中的相同。取和时,应注意各分量前的“+”、“-”号。
- 功率不满足叠加定理。
置换定理
设一个具有唯一解的任意电路 $N$,若已知第 $k$ 条支路的电压和电流为 $u_k,i_k$,则不论该支路是由什么元件组成的,总可以用电压为 $u_\mathrm{S}=u_k$ 的电压源或电流为 $i_\mathrm{S}=i_k$ 的电流源置换,而不影响电路未置换部分各支路电压和支路电流。
注意:
- 置换定理要求置换前后的电路必须有唯一解。
- 置换定理一般要求被置换支路的VCR是函数且存在反函数。
- 置换定理不能把支路置换成 $R_k=u_k/i_k$ 的电阻。
- 置换定理中所指的被置换支路,应与被置换支路以外的电路不存在耦合关系。例如受控源支路和控制支路不应分属于被置换支路和被置换支路以外的电路。
- 置换定理对线性和非线性电路均成立。被置换支路可以是单一元件的支路,也可以是由复杂电路构成的一端口电路。
- 除被置换的部分发生变化外,电路的其余部分在置换前后必须保持完全相同。
戴维宁定理
任何线性含源一端口电阻电路N,就其端口而言,可以用一个电压源 $u_{\mathrm{OC}}$ 和一个电阻 $R_{\mathrm{o}}$ 串联组合来等效。其中,电压源的电压 $u_{\mathrm{OC}}$ 等于电路 $N$ 的开路电压;电阻 $R_{\mathrm{o}}$ 等于将 $N$ 内的全部独立电源置零后所得电路 $N_\mathbf{0}$ 的等效电阻。这个串联组合称为戴维宁电路,其中电阻 $R_{\mathrm{o}}$ 称为戴维宁等效电阻。
等效的VCR为:
求等效电阻的方法:
- 外施电流源、电压源法。
- 短路法(仅适用于内部存在电源)
诺顿定理
任何线性含源一端口电阻电路 $N$,就其端口而言,可以用一个电流源 $i_\mathrm{SC}$ 与一个电导 $G_\mathrm{o}$ 并联组合来等效。其中,电流源的电流 $i_\mathrm{SC}$ 等于原电路 $N$ 的短路电流;电导 $G_\mathrm{o}$ 等于将 $N$ 内的全部独立电源置零后所得电路 $N_\mathbf{0}$ 的等效电导。这个并联组合称为诺顿等效电路,其中 $G_\mathrm{o}$ 称为诺顿等效电导。
等效的VCR为:
戴维宁定理&诺顿定理的适用条件
- 当等效的一端口电路内部和外部电路之间存在控制量和受控电源的控制关系时,不适用。
- 并非所有的含独立电源的一端口电路都存在戴维宁电路。例如,由电流源和电阻串联的支路构成的一端口电路,就不存在戴维宁电路。
- 并非所有的含独立电源的一端口电路都存在诺顿电路。例如,由电压源和电阻并联的支路构成的一端口电路,就不存在诺顿电路。
- 求等效电阻(电导)时应将网络中独立源置零,受控源必须保留。
- 对一个戴维南电路,不一定存在对应的诺顿电路。
互易定理
互易电路
对于不含独立电源的电路,如果该电路对外具有两个端口,构成二端口电路,当描述该电路端口特性的开路电阻矩阵或短路电导矩阵为对称矩阵时,则称该电路为互易电路。
互易定理形式一
已知下图所示电路中 $N$ 为互易电路,如果在端口 $11’$ 施加电压源激励 $u_{\mathrm{S}1}$,在端口 $22’$ 得到电流响应 $i_2$。反之,对端口 $22’$ 施加电压源激励 $u_{\mathrm{S}2}$,在端口 $11’$ 得到电流响应 $i_1$。则在电路具有唯一解的情况下,有
互易定理形式二
已知下图所示电路中 $N$ 为互易电路,如果在端口 $11’$ 施加电流源激励 $i_{\mathrm{S}1}$,在端口 $22’$ 得到电压响应 $u_2$。反之,对端口 $22’$ 施加电流源激励 $i_{\mathrm{S}2}$,可在端口 $11’$ 得到电压响应 $u_1$。则在电路具有唯一解的情况下,有
互易定理形式三
已知下图所示电路中 $N$ 为互易电路,如果在端口 $11’$ 施加电流源激励 $i_{\mathrm{S}1}$,在端口 $22’$ 得到电流响应 $i_2$。反之,对端口 $22’$ 施加电压源激励 $u_{\mathrm{S}2}$,可在端口 $11’$ 得到电压响应 $u_1$。则在电路具有唯一解的情况下,有
注意
- 互易定理适用于任意不含独立源、仅含电阻的线性非时变的互易电路。
- 互易性与无源性是互不相干的,回转器是无源器件,但不能互易。
- 应用互易定理时,要特别注意电压、电流的方向,也要特别注意激励和响应的形式。
- 包含受控源的电路不一定是互易的。
- 一个对称的仅含电阻的电路必定是互易的。
最大功率传递定理
对于给定的线性含源一端口电路,其负载获得最大功率的条件是负载电阻 $R_\mathrm{L}$ 等于含源一端口电路的等效电阻 $R_{\mathrm{o}}$ ,此时称为最大功率匹配或负载与信号源匹配,最大功率
第四章 非线性电阻电路分析
第五章 动态电路的时域分析
相关定义
- 电容和电感元件都能够储存能量,称为储能元件,其端口电压-电流关系要用微分方程来描述,所以又称为动态元件。
- 含有动态元件(即储能元件)的电路称为动态电路。动态电路是用微分方程来描述的,所以对这种电路的分析要涉及对微分方程的求解。
- 动态电路发生换路,一般会引起电压、电流的变化,使电路的工作状态发生改变。由于电路中存在储能元件,这种改变通常不可能在瞬间完成,需要一段时间历程。这一时间历程称为动态电路的暂态过程,在工程上也称过渡过程。通常暂态过程是极为短暂的,但却对控制系统、计算机系统和通信系统都关系重大。
- 在动态电路分析中,激励和响应都表示为时间 $t$ 的函数,采用微分方程求解电路和分析电路的方法,称为时域分析方法。
电容元件
定义
一个二端元件,如果在任一时刻 $t$,它所储存的电荷 $q$ 和它的端电压 $u$ 之间的关系是由 $q-u$ 平面(或 $u-q$ 平面)上的一条曲线所确定,则此二端元件称为电容元件。这条曲线称库伏特性曲线。
分类
- 根据库伏特性曲线是否为通过原点的直线,电容元件可分为线性电容元件和非线性电容元件
- 根据库伏特性曲线是否随时间变化,电容元件可分为时变电容元件和非时变电容元件
- 如果库伏特性曲线通过原点位于第一或第三象限,它所储存的能量总是正的,这种电容元件称为无源电容元件。
电路图符号
线性非时变电容元件
定义
如果电容元件的库伏特性曲线是一条不随时间变化、通过原点的直线,那么该电容元件称为线性非时变电容元件。线性非时变电容元件常简称为电容。
特性方程
或
其中 $C$ 是与电荷和电压无关的电路参数,称为线性非时变电容元件的电容。电容的数值等于库伏曲线的斜率,是一个常数。电容的SI单位为法拉(F)。
线性非时变电容元件中的电流 $i$ 和其端电压 $u$ 之间的关系为(取一致参考方向)
上式表明,$t$ 时刻的电容电流 $i$ 取决于该时刻电容电压 $u$ 随时间 $t$ 的变化率,因此,电容元件是动态元件。
线性非时变电容元件中的电压 $u$ 和电流 $i$ 之间的关系也可用积分形式表示
记忆特性
上式表明,线性非时变电容元件在 $t$ 时刻的电压值取决于从 $-\infty$ 到 $t$ 时刻的电流值。就是说,电容电压 $u$ 与电容元件的电流历史有关,可通过电容电流在时刻 $t$ 以前的全部历程来反映。电容元件具有“记忆”电流的性质,是一种记忆元件。
一个线性非时变电容元件只有在 $C$ 和 $u(t)$ 都给定时,才是一个完全确定的元件。
电容元件 $t_0$ 时刻电压的等效表示
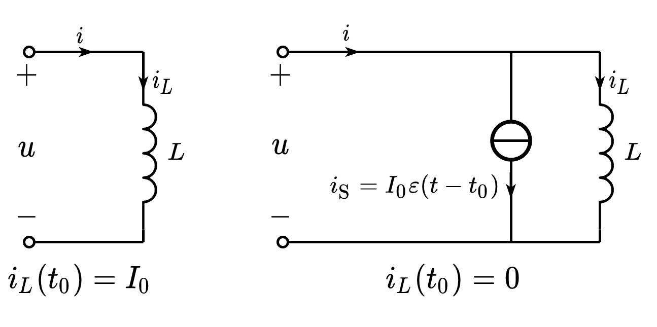
一个 $t_0$ 时刻电压为 $U_0$ 的线性非时变电容元件,可以用 $t_0$ 时刻电压为零的同一电容元件与电压值为 $u_\mathrm{S}=U_0\varepsilon(t-t_0)$ 的电压源串联来等效。
电压连续性质
如果在时间区间 $[t,t+\Delta t]$ 内,电流 $i$ 均为有限值,即 $|i(t)|\le M$($M$为有限常数),那么当 $\Delta t\to 0$ 时,就有 $u\to 0$。这说明只要电容电流是有界函数,电容电压就是连续函数,不会跳变。
电容的并联
目的
为了得到较大的电容
总电量
若干个的电容并联后,并联电容的总电量 $q$ 等于各电容电量之和,即
总电容
并联等效电容等于并联电容之和,即
总电压
分流关系
电容的串联
目的
为了提高电容承受的电压
总电容
串联等效电容的倒数等于各串联电容倒数之和,或串联等效倒电容等于各串联元件倒电容之和,即
总电压
分压关系
线性时变电容元件
定义
如果电容元件的库伏特性曲线是随时间变化、通过原点的直线,那么该电容元件称为线性时变电容元件。
特性方程
或
$C(t)$ 的值对应于 $t$ 时刻的库伏曲线的斜率。
线性时变电容元件的电流 $i$ 和电压 $u$ 间的关系为
非线性电容元件
定义
电容元件如果其库伏特性不是线性的就称为非线性电容元件。
非线性非时变电容
如果非线性库伏特性曲线不随时间变化,则称为非线性非时变电容。其特性方程为
非线性时变电容
如果一个非线性电容的库伏特性曲线是随时间 $t$ 变化的,则称为非线性时变电容,其特性方程为
按库伏关系的性质分类
非线性电容也可按其库伏关系的性质可再细分为电荷控制型电容(简称荷控电容)、电压控制型电容(简称压控电容)、单调型电容和既非荷控又非压控电容等4个子类。
(Todo)
电容元件的能量
瞬时功率
电容元件吸收的瞬时功率为
若电容电流和电压取一致参考方向,当 $p_c>0$ 时,电容吸收功率;当 $p_c<0$ 时,电容发出功率。
能量
在时间间隔 $\left[t_{0}, t\right]$ 内,电容元件吸收的能量为
线性非时变电容元件的能量
上式表明,当电压一定时,电容元件中储存的电场能与电容 $C$ 成正比,电容 $C$ 的大小反映了电容储能的能力;电容储能的大小只取决于电容两端电压的瞬时值,与电压的建立过程无关,也与电容中的电流无关。
电感元件
定义
一个二端元件,如果在任一时刻 $t$,它的磁通 $\psi$ 与流过它的电流 $i$ 之间的关系是由 $\psi-i$ 平面(或 $i-\psi$ 平面)上的一条曲线所确定,则此二端元件称为电感元件。这条曲线称韦安特性曲线。
分类
- 根据韦安特性曲线是否为通过原点的直线,电感元件可分为线性电感元件和非线性电感元件。
- 根据韦安特性曲线是否随时间变化,电感元件可分为时变电感元件和非时变电感元件。
- 如果电感元件的韦安特性曲线通过原点位于第一或第三象限,它所储存的能量总是正的,这种电感元件称为无源电感元件。
电路图符号
线性非时变电感元件
定义
如果电感元件的韦安特性曲线是一条不随时间变化、通过原点的直线,那么该电感元件称为线性非时变电感元件。线性非时变电感元件常简称为电感。
特性方程
或
上式中,电感元件的电流和磁通的参考方向应符合右手螺旋法则,磁通 $\psi$ 和电流 $i$ 的单位分别为 $\mathrm{Wb}$ 和 $\mathrm{A}$。$L$ 是与磁通和电流无关的电路参数,称为线性非时变电感元件的电感。$L$ 的值等于韦安曲线的斜率,是一个常数。电感的 $\mathrm{SI}$ 单位为亨利(H)。
电感电流 $i$ 和电感电压 $u$ 取一致参考方向,线性非时变电感元件中的端电压 $u$ 和流经其电流 $i$ 之间的关系为
上式表明 $t$ 时刻的电感电压 $u$ 取决于该时刻电感电流 $i$ 的变化率,因此,称电感元件为动态元件。
线性非时变电感元件中的电压 $u$ 和电流 $i$ 之间的关系也可用积分形式表示
记忆特性
上式表明,线性非时变电感元件在 $t$ 时刻的电流值取决于从 $-\infty$ 到 $t$ 时刻的电压值。就是说,电感电流 $i$ 与电感元件的使用历史有关,可通过电感电压在时刻 $t$ 以前的全部历程来反映。电感元件具有“记忆”电压的性质,是一种记忆元件。
一个线性非时变电感元件只有在 $L$ 和 $i(t_0)$ 都给定时才是一个完全确定的元件。
电感元件 $t_0$ 时刻电流的等效表示
一个 $t_{0}$ 时刻电流为 $I_{0}$ 的线性非时变电感元件, 可以用 $t_{0}$ 时刻电流为零的同一电感元件与电流值为 $i_{\mathrm{S}}=I_{0} \varepsilon\left(t-t_{0}\right)$ 的直流电流源之并联来等效。
电流连续性质
如果在时间区间 $[t, t+\Delta t]$ 内,电压 $u$ 均为有限值,即 $|u(t)| \leqslant M$($M$ 为有限常数),那么当 $\Delta t \rightarrow 0$ 时,就有 $\Delta i \rightarrow 0$ 。这说明只要电感电压是有界函数,电感电流就是连续函数,不会跳变。
电感的并联
目的
为了提高电感承受的电压
等效电感
并联等效电感的倒数等于各并联电感倒数之和,或并联等效倒电感等于各并联元件倒电感之和,即
总电流
电感的串联
目的
为了得到较大的电感
总磁通
若干个没有储能的电感串联后,串联电感的总磁通山等于各电感磁通之和,即
等效电感
串联等效电感等于串联电感之和
线性时变电感元件
定义
电感元件的韦安特性曲线是随时间变化、通过原点的直线,这样的电感元件称为线性时变电感元件。
特性方程
或
上式中,$L(t)$ 称为线性时变电感元件的时变电感,$L(t)$ 的值对应于t时刻的韦安曲线的斜率。
线性时变电感元件的电流 $i$ 和电压 $u$ 间的关系为
非线性电感元件
定义
电感元件如果其韦安特性不是线性的就称为非线性电感元件。
非线性非时变电感
如果非线性电感的韦安特性曲线不随时间 $t$ 变化,则称为非线性非时变电感。其特性方程为
非线性时变电感
如果非线性电感的韦安特性曲线是随时间 $t$ 变化的,则称为非线性时变电感,其特性方程为
按韦安特性分类
(Todo)
电感元件的能量
瞬时功率
电感元件吸收的瞬时功率为
若电感电流和电压取一致参考方向,当 $p_L>0$ 时,电感吸收功率;当 $p_L<0$ 时,电感发出功率。
能量
在时间间隔 $\left[t_{0}, t\right]$ 内,电感元件吸收的能量为
线性非时变电感元件
上式表明,当电流一定时,电感元件中储存的磁场能与电感 $L$ 成正比,电感 $L$ 的大小反映了电感储能的能力;电感储能的大小只取决于电感电流的瞬时值,与电流的建立过程无关,也与电感中的电压无关。
耦合电感元件
定义
如果两个线圈或两个以上线圈中每个线圈所产生的磁通都与另一个线圈相交链,则称这些线圈有磁耦合或者说具有互感。若假定这些线圈是静止的,并且忽略了线圈中的电阻和匝间的分布电容,具有磁耦合的诸线圈就可表示为理想化的耦合电感元件。
电路图符号
线性耦合电感元件
元件特性
对于线性耦合电感元件而言,每一电感元件的磁通可以表示为自感磁通与互感磁通之代数和,且自感磁通、互感磁通均与电流之间呈现线性函数关系。
式中,$L_{1}$ 和 $L_{2}$ 分别为线圈 $1$ 和线圈 $2$ 的自感;$M_{12},M_{21}$ 为线圈 $1$ 和线圈 $2$ 之间的互感。$\psi_{11}=L_{1} i_{1}\left(\psi_{22}=L_{2} i_{2}\right)$ 是线圈 $1$ (线圈 $2$) 本身电流所产生的磁通,称为自感磁通;$\psi_{12}=M_{12} i_{2} \left(\psi_{21}=M_{21} i_{1}\right)$ 是线圈 $2$(线圈 $1$) 的电流所产生的磁通与线圈 $1$(线圈 $2$) 相交链的部分,称为互感磁通。自感和互感的 $\mathrm{SI}$ 单位都是亨利(H)。
可以证明 $M_{12}=M_{21}$ 。因此,可以用 $M$ 表示耦合电感元件的互感。
上式可用矩阵形式表示为
令 $\boldsymbol{\psi}$ 为磁通向量;$\boldsymbol{i}$ 为电流向量;$\boldsymbol{L}$ 为一对称方阵,称为电感矩阵,位于矩阵主对角线上的元素 $L_{i j}$ 为各个电感元件的自感,元素 $L_{j k}$ 为第 $j$ 个电感元件和第 $k$ 个电感元件之间的互感。对于由两个线圈组成的耦合电感元件,其互感用 $M$ 表示。
同名端
上式中,自感 $L_1$ 和 $L_2$ 恒为正值,互感 $M$ 既可为正又可为负。
- 如果互感为正,自感磁通和互感磁通可以相互加强
- 如果互感为负,互感磁通是对自感磁通的减弱。
约定对相耦合的电感元件的端钮用「 $\cdot$ 」或「 $\star$ 」等符号作为标记,具有标记的两个端钮称为同名端;一个电感元件的端钮有标记,另一个电感元件的端钮无标记,这两个端钮称为异名端。
- 同名端只与绕向有关系,与电流的参考方向无关
在对耦合电感元件的互感进行标注时,通常给出其绝对值。互感正负的确定要在规定了流经耦合电感元件的电流参考方向以后,再根据同名端来判断
- 当耦合电感元件中的两个电流都从同名端流入时,自感磁通和互感磁通相互加强,那么互感为正
- 当耦合电感元件中的两个电流都从异名端流入时,自感磁通和互感磁通相互减弱,那么互感为负
确定同名端的方法
- 如电压表正向偏转,则端钮1、2’为同名端
- 如电压表反向偏转,则端钮1、2为同名端
耦合系数
当两个相耦合电感元件的磁通全部相互交链,即全耦合时,$|M|$ 取到最大值 $\sqrt{L_{1} L_{2}}$
为了反映互感耦合的程度,定义耦合系数 $k$ 为
耦合系数总满足 $0\le k \le 1$。当 $k=1$ 时,互感达最大值,表明一个电感元件中电流所产生的磁通全部与另一电感元件交链,称为全耦合;当 $k$ 接近 $1$ 时,称为紧耦合;当 $k$ 值较小时,称为松耦合;当两电感元件的轴线相互垂直时,两线圈无磁耦合,这时 $k=0$。
三耦合电感元件
略
电路图符号
电压电流关系
式中,$u_{11}$ 及 $u_{22}$ 称为自感电压;$u_{12}$ 及 $u_{21}$ 称为互感电压。上式表明,线性耦合电感元件的电压-电流关系是一对联立的常系数线性微分方程,两耦合电感元件的每一元件的端电压都是自感电压与互感电压的代数和,自感电压取决于该元件的自感和自身电流的变化率,互感电压取决于互感和另一元件电流的变化率。
如果用 $\boldsymbol{u}=\left[u_{1}, u_{2}\right]^{\mathrm{T}}$ 表示电压向量;$\boldsymbol{i}=\left[i_{1}, i_{2}\right]^{\mathrm{T}}$ 表示电流向量,则上式可表示为
去耦等效
线性耦合电感元件用受控源去耦等效
定义 $\boldsymbol{\Gamma}=\boldsymbol{L}^{-1}$ 称为倒电感矩阵,则
线性耦合电感元件的串联
串联等效电感为
线性耦合电感的自感和互感分别为 $L_1,L_2,M$ ,异名端相连接,称为顺接,$M>0$;同名端相连接,称为反接,$M<0$。
串联分压情况
线性耦合电感元件的并联
并联等效电感为
如果电流 $i_1,i_2$ 从耦合电感的同名端流入,互感 $M$ 取正值,如果电流 $i_1,i_2$ 从耦合电感的异名端流入,互感 $M$ 取负值。
并联分流情况
线性耦合电感元件的T形去耦等效
当公共端钮为同名端连接时,$M>0$;当公共端钮为异名端连接时,$M<0$。
线性耦合电感元件的 $\Pi$ 形去耦等效
线性耦合电感元件用理想变压器等效
若耦合电感元件为全耦合电感元件,即 $M=\sqrt{M_1M_2}$,则下面两个电路等效,其中 $n=\sqrt{L_1/L_2}$
非线性耦合电感元件
耦合电感元件凡不是线性的就称为非线性耦合电感元件。
耦合电感元件的能量
耦合电感元件吸收的瞬时功率为
若耦合电感的电流和电压取一致参考方向,当 $p>0$ 时,耦合电感吸收功率;当 $p<0$ 时,耦合电感发出功率。
在时间间隔 $\left[t_{0}, t\right]$ 内,耦合电感元件吸收的能量为
设线性耦合电感元件两个端口的电压、电流都取一致参考方向,则耦合电感吸收的总功率为
假定在 $t=0$ 时耦合电感元件没有能量储存,则可得时刻 $t$ 线性耦合电感元件所储存的能量为
上式结果中,$\frac{1}{2} L_{1} i_{1}^{2}$ 是电感 $L_{1}$ 的储能;$\frac{1}{2} L_{2} i_{2}^{2}$ 是电感 $L_{2}$ 的储能;$M i_{1} i_{2}$ 是互感 $M$ 的储能。
动态电路的定义
定义一个电路,若其电路方程为微分方程,则该电路称为动态电路。
- 动态电路一定含有动态元件
- 含有动态元件的电路不一定是动态电路
动态电路的方程
对积分微分方程,经过变换最终可化为单一输出变量的微分方程,并称为电路的输入-输出方程。如果电路的输入-输出方程是一阶微分方程,则称该电路为一阶电路。如果输入-输出方程是 $n$ 阶微分方程,则相应的电路称为 $n$ 阶电路。
- 电路中除电阻以外,只含有一个独立储能元件的电路,就是一阶电路。
- 对复杂一阶电路的分析总可以简化为 $RC$ 或者 $RL$ 电路的分析。
电路分析的方程变量
在电路分析中,作为输出的待求电路变量可以是支路电压、支路电流,或者是支路电压和支路电流的线性组合,也可以是电容中的电荷,或者是电感中的磁通。这些待求的变量称为电路的响应(或输出),而独立电源称为激励(或输入)。电路的响应可以是由独立电源引起的,或者是由电路中储能元件的原始状态引起的,也可以是由独立电源和储能元件的原始状态共同引起的。
动态电路的确定
在对动态电路的分析中,可以根据基尔霍夫定律和电路元件的电压-电流关系,列出一组联立的微分方程,或一组联立的积分微分方程。通过此联立方程组,总可以求出对应电路中任一响应变量的输入-输出方程。一般情况下,对于线性非时变动态电路,只含单一响应变量的输入-输出方程是常系数线性微分方程。
含电容、电感的动态电路
由于用独立电容电压 $u_c$ 或独立电感电流 $i_L$,作为响应变量建立的动态电路方程,其初始条件容易确定,一旦求得解,由它们再求电路中的其他变量又方便,所以习惯上都取独立电容电压 $u_c$ 或独立电感电流 $i_L$ 为响应变量。
换路的定义
在动态电路中,将开关的接通和断开,线路的短接或开断,元件参数值的改变等,引起电路工作状态变动的情况统称为换路。在电路分析中,认为换路是瞬间完成的,并将换路发生的时刻作为对电路分析计算的开始时间。
原始值和初始值
用 $t=t_{0-}$ 表示换路前的瞬间,用 $t=t_{0+}$ 表示换路后的瞬间,它们与 $t=t_{0}$ 的间隔都趋于零。电路变量在 $t=t_{0-}$ 时的值,称为原始值,在 $t=t_{0+}$ 时的值,称为初始值。
- 在任何情况下对动态电路都可用换路定律或动态元件VCR确定 $u_C$ 和 $i_L$ 的初始值。
- 线性非时变动态电路的输入-输出方程的初始条件就是方程输出变量及其各阶导数在 $t=t_{0+}$ 时的初始值。
原始状态和初始状态
- 动态电路在 $t=t_{0+}$ 时各独立电容电压 $u_{C}\left(t_{0+}\right)$(或电荷 $q\left(t_{0+}\right)$)和各独立电感电流 $i_{L}\left(t_{0+}\right)$(或磁通 $\psi\left(t_{0+}\right)$)等初始值的集合称为电路的初始状态
- 在 $t=t_{0-}$ 时各独立电容电压 $u_{C}\left(t_{0-}\right)$(或电荷 $q\left(t_{0-}\right)$)和各独立电感电流 $i_{L}\left(t_{0-}\right)$(或磁通 $\psi\left(t_{0-}\right)$)等原始值的集合称为电路的原始状态
- 如果在 $t=t_{0-}$ 时,各独立电容电压和独立电感电流都为零,则称为零原始状态,简称零状态
换路定律
当电容电流、电感电压为有限值时,由于电容电压 $u_c$、电感电流 $i_L$ 的连续性,电路的初始状态和原始状态相等,即
零输入响应和零状态响应
- 对一个动态电路,仅由电路的原始状态引起的响应(此时电路的输入为零),称为电路的零输入响应。零输入响应是初始状态的线性函数。
- 动态电路在原始状态为零的情况下(电容电压、电感电流为零),仅由独立电源作为输入激励引起的响应,称零状态响应。零状态响应是输入函数的线性函数。
瞬态和稳态
- 当描述动态电路的变量或为不为时间而变的常量,或为随时间而变的周期量时,称此电路进入了稳定状态(稳态)。
- 电路不处于稳态即处于瞬态(暂态、瞬变)或非稳态。瞬态又称过渡过程(从一种稳态过渡到另一种稳态)。
- 不是所有电路都存在瞬态。不是所有电路都存在稳态。电阻电路不一定只包含稳态响应。
时间常数和固有频率
对于一阶RC电路
定义时间常数
其中 $R_{\mathrm{eq}}$ 为电容 $C$ 两端看进去的电路的等效电阻。
时间常数表示了电容电压 $u_C$ 衰减到初始值 $36.8\%$ 所需的时间。
定义固有频率
对于一阶RL电路
定义时间常数
其中 $R_{\mathrm{eq}}$ 为电感 $L$ 两端看进去的电路的等效电阻。
时间常数表示了电感电流 $I_L$ 衰减到初始值 $36.8\%$ 所需的时间。
电路响应总结
一阶RC电路的零输入响应
电路图
电路的微分方程
方程的解
零输入响应电容电压为
零输入响应回路电流为
上式中,一旦电路已经确定,对于任意时间 $t=t_0$,$\mathrm{e}^{-t_0 / R C}$ 为常数,瞬时值 $u_C(t_0)$ 仅取决于电压的初始值 $U_{0}$,且满足齐次性和可加性。这个性质对任意线性电路也是成立的,即线性电路的零输入响应是初始值的线性函数。对于每一个确定的 $U_{0}$,$RC$ 电路的零输入响应是时间 $t$ 的指数函数。
使用三要素法解决
- 初始值 $u_C(t=0^{+})=U_0$
- 直流稳态值 $u_C(t=\infty)=0$
- 时间常数 $\tau=RC$
故可得
定性分析
电容电压在初始值 $U_0$ 已确定的情况下,
- 电容 $C$ 越大,电容中储存的电荷越多,放电所需要的时间也越长
- 电阻 $R$ 越大,放电电流越小,放电所需要的时间也越长
一阶RL电路的零输入响应
电路图
电路的微分方程
方程的解
零输入响应电感电流为
零输入响应电感电压为
上式中,一旦电路已经确定,对于任意时间 $t=t_0$,$\mathrm{e}^{-(R / L) t_0}$ 为常数,瞬时值 $i_L(t_0)$ 仅取决于电感电流的初始值 $I_{0}$,且满足齐次性和可加性。这个性质对任意线性电路也是成立的,即线性电路的零输入响应是初始值的线性函数。对于每一个确定的 $I_{0}$,$RL$ 电路的零输入响应是时间 $t$ 的指数函数。
使用三要素法解决
- 初始值 $i_{L}(t=0^{+})=I_0$
- 直流稳态值 $i_{L}(t=\infty)=0$
- 时间常数 $\tau=L/R$
故可得
定性分析
电感电流在初始值 $I_0$ 已确定的情况下,
- 电感 $L$ 越大,电感中储存的磁场能量越多,放电所需要的时间也越长
- 电阻 $R$ 越小,消耗的能量越少,放电所需要的时间也越长。
一阶电路的直流响应
一阶RC电路的零状态响应
电路图
电路的微分方程
方程的解
零状态响应电容电压为
零状态响应电容电流为
- 上式中,一旦电路已经确定,对于任意时间 $t=t_0$,$(1-\mathrm{e}^{-t / R C})$ 为常数,瞬时值 $u_C(t_0)$ 仅取决于输入电压 $u_{\mathrm{S}}$,且满足齐次性和可加性。这个性质对任意线性电路也是成立的,即线性电路的零状态响应是输入的线性函数。对于每一个确定的 $u_{\mathrm{S}}$,$RC$ 电路的零状态响应是时间 $t$ 的指数函数。
- $u_C(5\tau)=0.9933u_{\mathrm{S}}$,可认为电压已达稳态值 $u_{\mathrm{S}}$,电路进入直流稳态。
使用三要素法解决
- 初始值 $u_{C}(t=0^{+})=0$
- 直流稳态值 $u_{C}(t=\infty)=u_{\mathrm{S}}$
- 时间常数 $\tau=RC$
故可得
充电效率
电容电压被充电到 $u_{\mathrm{S}}$ 时, 其储能为
在充电过程中电阻消耗的总能量为
充电效率
一阶RL电路的零状态响应
电路图
电路的微分方程
方程的解
零状态响应电感电流为
零状态响应电感电压为
- 上式中,一旦电路已经确定,对于任意时间 $t=t_0$,$(1-\mathrm{e}^{-(R / L) t})$ 为常数,瞬时值 $i_L(t_0)$ 仅取决于输入电压 $u_{\mathrm{S}}$,且满足齐次性和可加性。这个性质对任意线性电路也是成立的,即线性电路的零状态响应是输入的线性函数。对于每一个确定的 $u_{\mathrm{S}}$,$RL$ 电路的零状态响应是时间 $t$ 的指数函数。
使用三要素法解决
- 初始值 $i_L(t=0^{+})=0$
- 直流稳态值 $i_L(t=\infty)=\frac{u_{\mathrm{S}}}{R}$
- 时间常数 $\tau=R/L$
故可得
一阶电路的正弦响应
定义
由正弦电源引起的零状态响应称为正弦响应。
RC并联电路的正弦响应
电路图
电路方程
设正弦电流源为
开关换路后以电容电压 $u_{C}$ 为正弦响应的电路方程为
方程的解
正弦响应电容电压为
其中
工程应用
当电容电压的稳态分量经过极大值时换路,而电路的时间常数又大,则换路后电容电压的最大瞬时绝对值可能接近于稳态电压振幅的2倍。
RL串联电路的正弦响应
电路图
电路方程
设正弦电压源为
开关换路后以电感电流 $i_{L}$ 为正弦响应的电路方程为
方程的解
正弦响应电感电流为
其中
(Todo)
工程应用
当电感电流的稳态分量经过极大值时换路,而电路的时间常数又大,则换路后电感电流的最大瞬时绝对值可能接近于稳态电流振幅的2倍。
一阶电路的阶跃响应
定义
电路在单位阶跃电源激励下的零状态响应称为单位阶跃响应。单位阶跃响应常用符号 $s(t)$表示。
单位阶跃作用下的RC电路
电路图
电路的微分方程
方程的解
单位阶跃作用下的RL电路
电路图
电路的微分方程
方程的解
一阶电路的冲激响应
定义
电路在单位冲激电源激励下的零状态响应称为单位冲激响应。单位冲激响应常用符号 $h(t)$ 表示。
RC并联电路的冲激响应
电路图
电路的微分方程
方程的解
RL串联电路的冲激响应
电路图
电路的微分方程
方程的解
冲激响应与阶跃响应的关系
对于一个线性电路,冲激响应是阶跃响应的导数
阶跃响应是冲激响应的积分
根据冲激响应与阶跃响应之间的上述相互关系
- 在已知电路阶跃响应的情况下,可对其求导来获得冲激响应
- 在已知电路冲激响应的情况下,可对其积分来求得阶跃响应
一阶电路任意输入的零状态响应
卷积
函数 $f_1(t),f_2(t)$ 的卷积积分为如下表达式
卷积积分可简写成
- 卷积积分具有交换律
- 如果当 $t\le 0$ 时,$x(t)=0,h(t)=0$,则
电路求解
若已知线性非时变电路冲激响应 $h(t)$,则对输入为任意波形 $f(t)$ 的零状态响应为
一阶动态电路的全响应
定义
动态电路在非零原始状态的情况下,由输入激励和原始状态共同引起的响应,称为全响应。
全响应的计算
对所有线性动态电路都有:全响应=零输入响应+零状态响应
- 电路全响应与输入激励和初始值之间的关系都不满足齐次性和可加性。因此,一阶线性电路的全响应既不是输入的线性函数,也不是初始值的线性函数。
全响应的第二种分解方式
一阶常系数线性非齐次微分方程的解 $u_{c}$,也可以表示为齐次解 $u_{c\mathrm{h}}$ 和特解 $u_{c\mathrm{p}}$ 的合成。针对电路理论问题,特解总与输入激励有关,或者说受输入激励的制约,故称其为强制响应。齐次解则按指数规律衰减,且衰减规律仅与电路自身的结构和元件参数有关,所以称为自由响应。因此,全响应又可分解为:全响应=自由响应+强制响应
全响应的第三种分解方式
全响应还可分解为:全响应=暂态响应+稳态响应
动态电路解题的方法
经典方法
- 取 $t$ 为自变量,取动态元件记忆量(电容电压 $u_C$ 或电感电流 $i_L$)为因变量
- 运用戴维宁定理或诺顿定理把除动态元件以外的元件等效为一个二端电路,并求出VCR
- 明确原始状态和初始状态
- 列出微分方程,求出状态变量
- 应用置换定理
- 根据VCR求出其他变量
三要素法
只需要求得三要素
- 初始值 $y(0_+)$,利用置换定理求待求响应电压或电流的初始值。
- 稳态响应值 $y_s(t)$(当直流或阶跃电源输入时是常量,当正弦电源输入时是同频率正弦量),用开路代替电容或用短路代替电感,求任一电压或电流的稳态值。
- 时间常数 $\tau=L/R\text{ 或 }RC$
就可得全响应
二阶动态电路的响应
定义
用二阶微分方程描述的电路称为二阶电路。二阶电路一般含有两个独立储能元件。$RLC$ 串联电路和 $RLC$ 并联电路是最简单的二阶电路。
二阶LC电路中的正弦振荡
电路方程
方程的解
震荡周期
二阶RLC电路的零输入响应
电路图
电路方程
初始条件
特征方程
特征根
方程的解
过阻尼时
电路参数满足 $R<\frac{1}{2}\sqrt{\frac{L}{C}}$,特征根 $s_1$ 和 $s_2$ 是两个不相等的负实根
零输入响应电感电流为
响应波形规律:
- 令 $t_{\mathrm{m}}=\frac{1}{s_{1}-s_{2}} \ln \frac{s_{2}}{s_{1}}$
- 在 $t=t_{\mathrm{m}}$ 时,电容电压 $u_C$ 下降到 $0$,而电感电流 $i_L$ 达到最大值
- 在 $t=2t_{\mathrm{m}}$ 时,电容电压 $u_C$ 达到极小值,而电感电流 $i_L$ 达到拐点
- 当 $t\to \infty$ 时,电容电压和电感电流都趋于零。
- 电路为非振荡情况。
临界阻尼时
电路参数满足 $R=\frac{1}{2}\sqrt{\frac{L}{C}}$,特征根 $s_1$ 和 $s_2$ 是两个相等的负实根
零输入响应电感电流为
响应波形规律:
- 电路为非振荡情况
欠阻尼情况
电路参数满足 $R>\frac{1}{2}\sqrt{\frac{L}{C}}$,特征根 $s_1$ 和 $s_2$ 为一对共轭复根 $-\alpha\pm j \omega_\mathrm{d}$,其中 $\omega_{\mathrm{d}}=\sqrt{\omega_0^2-\alpha^2}$
零输入响应电感电流为
响应波形规律:
- 欠阻尼情况下的零输入响应电容电压和电感电流都是振幅按指数规律衰减的正弦函数或余弦函数,即放电过程是一种周期性(振荡性)的放电,或欠阻尼放电。
- 它们的振荡角频率为 $\omega_\mathrm{d}$(又称为电路的固有振荡角频率)。
- 它们的振荡幅度都是随时间按指数规律衰减的,衰减的快慢取决于衰减系数 $\alpha$。
- 在相位方面,电容电压 $u_C$ 的初相位比电感电流 $i_L$ 的初相位落后 $\varphi$ 角,而电容电流 $i_C$ 的初相位比电容电压 $u_C$ 落后 $\varphi$ 角,比电感电流 $i_L$ 落后 $2\varphi$ 角。
无阻尼情况
电路参数满足 $R=\infty$,特征根 $s_1$ 和 $s_2$ 为一对共轭虚根
零输入响应电感电流为
响应波形规律:
- 电容电压和电感电流均为不衰减的正弦量,即电容电压和电感电流都是按正弦规律振荡,并不衰减,所以振荡是无阻尼的。振荡的角频率为 $\omega_0$,称为无阻尼振荡角频率。这种情况下的放电过程称为无阻尼周期性(振荡性)放电。
二阶RLC电路的零状态响应
RLC串联电路的单位阶跃响应
(Todo)
RLC并联电路的冲激响应
(Todo)
二阶RLC电路的全响应
电路的全响应等于其零输入响应与零状态响应之和。这一结论,对于二阶电路仍然成立。
(Todo)
二阶GCL并联电路
(Todo)
高阶电路的响应
第六章 动态电路的复频域分析
拉普拉斯变换的定义
设时域函数 $f(t)$ 在区间 $[0, \infty)$ 内的定积分为
式中,$s=\sigma+\mathrm{j} \omega$ 为复频率 。若该定积分在 $s$ 某一域内收敛,则由此积分确定的复频域函数可表示为
复频域函数 $F(s)$ 定义为时域函数 $f(t)$ 的拉普拉斯变换(简称拉氏变换),或称 $F(s)$ 为 $f(t)$ 的象函数,简记成
在拉普拉斯变换式中取积分下限为 $0_{-}$,可以计及 $t=0$ 时的 $f(t)$ 中包含的冲激函数,从而给计算含冲激电压或冲激电流的电路带来方便。
由已知象函数 $F(s)$ 求对应原函数 $f(t)$ 的变换,称拉普拉斯反变换(简称拉氏反变换),其积分公式为
或简记为
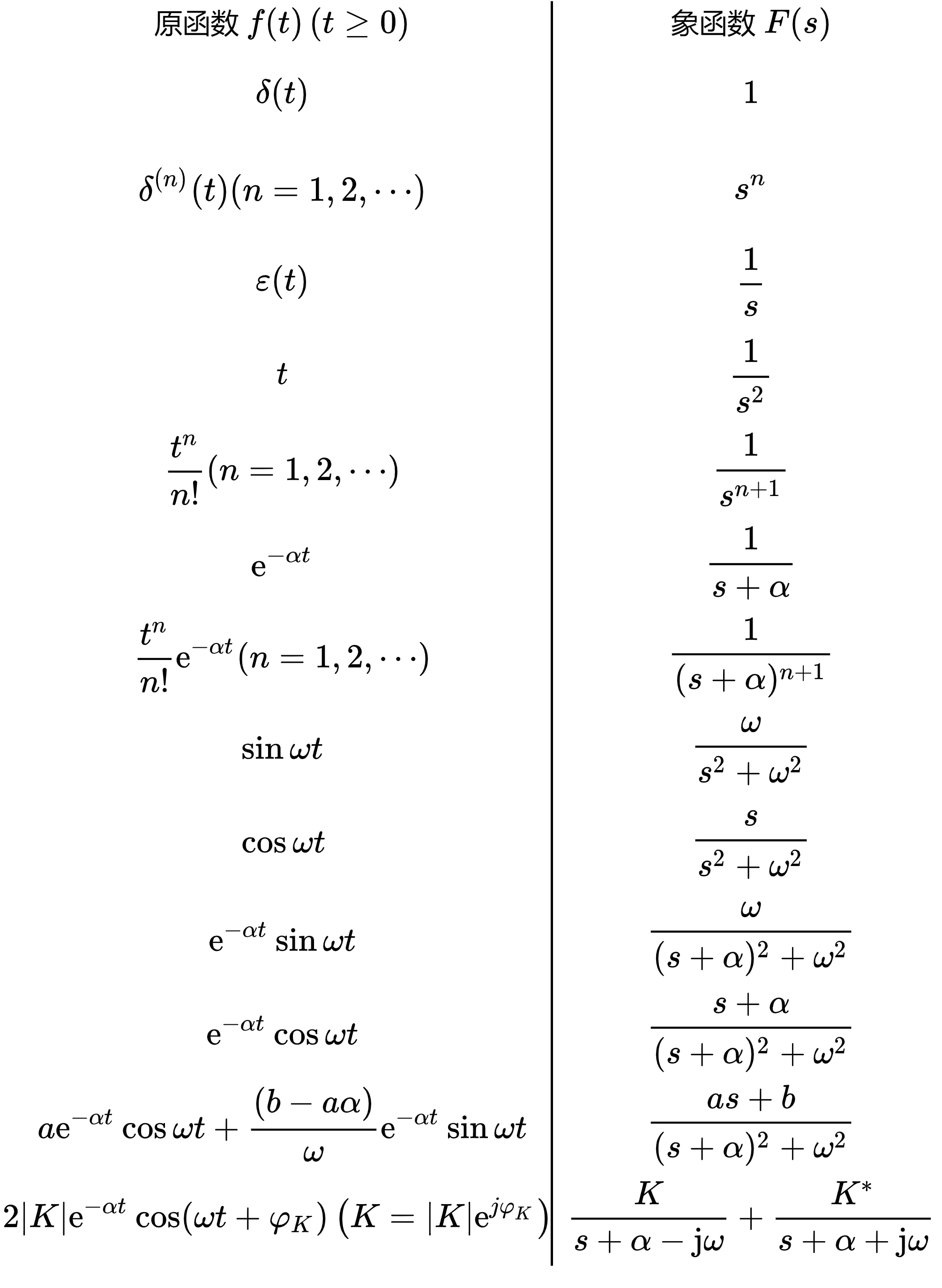
一些常用时间函数的拉氏变换
能进行拉氏变换的条件
- 并不是所有的时间函数都可以进行拉氏变换
- 数学上认为 $f(t)$ 存在拉氏变换的充分条件是 $f(t)$ 乘以 $-e^{\sigma t}$ 后绝对可积。
- 也就是说,存在一个 $\sigma>0$,使收敛因子 $-e^{\sigma t}$ 能够抑制 $|f(t)|$ 随时间的增长。
- 但是,在工程应用的动态电路分析中,一般只需计算某一具体时刻的响应,比如时间 $t_1$。尽管 $t_1$ 可能很大,但毕竟是有限的。这样对于从 $0$ 时刻开始,到 $t_1$ 时刻结束的电路响应来说,$f(t)= e^{t^2}$ 的拉氏变换仍然存在,且不影响从 $0$ 到 $t_1$ 时刻内电路的分析。
拉普拉斯变换的基本性质
总结
线性性质
若 $\mathscr{L}\left[f_{1}(t)\right]=F_{1}(s)$,$\mathscr{L}\left[f_{2}(t)\right]=F_{2}(s)$,则对任意常数 $a_{1}$ 及 $a_{2}$(实数或复数)有微分性质
若 $\mathscr{L}[f(t)]=F(s)$,则积分性质
若 $\mathscr{L}[f(t)]=F(s)$,则时移性质
若 $\mathscr{L}[f(t)]=F(s)$,则频移性质
若 $\mathscr{L}[f(t)]=F(s)$,则初值定理
若 $\mathscr{L}[f(t)]=F(s)$,且 $\lim_{s \rightarrow \infty} s F(s)$ 存在,则终值定理
若 $\mathscr{L}[f(t)]=F(s)$,且 $\lim_{t \rightarrow \infty} f(t)$ 存在,则卷积定理
若 $\mathscr{L}\left[f_{1}(t)\right]=F_{1}(s), \mathscr{L}\left[f_{2}(t)\right]=F_{2}(s)$,且 $t<0$ 时 $f_{1}(t)=f_{2}(t)=0$,则
拉普拉斯反变换
在线性非时变动态电路分析中,电压和电流的象函数都具有实系数有理分式的形式,并可展开成部分分式之和。一般使用部分分式展开法求原函数。
线性非时变动态电路分析中所求得的响应象函数 $F(s)$ 可表示为实有理函数
式中,$m$ 和 $n$ 分别为分子和分母多项式的阶次。如果 $m \geqslant n$,称 $F(s)$ 为假分式;如果 $m<n$,则称 $F(s)$ 为真分式。当 $m \geqslant n$ 时,可将上式分解为一个 $s$ 多项式和一个真分式之和,即
式中,
- $A(s)$ 是 $P(s)$ 被 $Q(s)$ 所除而得的商式
- 多项式 $A(s)$ 所对应的时间函数是 $\delta(t), \delta^{(1)}(t), \cdots, \delta^{(m-n)}(t)$ 等函数的线性组合
- $B(s)$ 是 $P(s)$ 被 $Q(s)$ 所除而得的余式,$B(s) / Q(s)$ 为真分式。
真分式裂项的步骤
设象函数 $F(s)$ 为真分式,并将分母多项式 $Q(s)$ 用因式连乘的形式来表示,也就是将其写成
式中,$p_{j}(j=1,2, \cdots, n)$ 为方程 $Q(s)=0$ 的根,即分母多项式 $Q(s)$ 的零点。因为 $s \rightarrow p_{j}$ 时,$F(s) \rightarrow \infty$,所以 $p_{j}$ 也称为 $F(s)$ 的极点。若 $p_{j}$ 是多项式 $Q(s)$ 的单零点(即单根),则称 $p_{j}$ 为 $F(s)$ 的单极点。如果 $p_{j}(j=1,2, \cdots, r)$ 是 $Q(s)$ 的 $r$ 价零点(即 $r$ 重根),则称 $p_{j}$ 为 $F(s)$ 的 $r$ 阶极点。
实单极点有理分式
若 $F(s)$ 为单极点有理函数,极点全部为实数,则 $F(s)$ 的部分分式展开式可写为
可得系数
线性组合后求得
复单极点有理分式
当某些极点为复数时,复数极点必以共轭复数的形式成对出现。设 $F(s)$ 的分式展开式为
应用上面的规律可得
$K_{1}$ 和 $K_{2}$ 一般也是共轭复数。如果 $K_{1}=\left|K_{1}\right| \mathrm{e}^{\mathrm{j} \varphi_{K}}$, 则 $K_{2}=K_{1}^{*}=\left|K_{1}\right| \mathrm{e}^{-\mathrm{j} \varphi_{K}}$。于是原式的拉氏反变换为
重极点有理分式
若 $F(s)$ 的分母 $Q(s)$ 有一个 $r$ 重根 $p_{1}$,则 $F(s)$ 的部分分式展开式为
可知其中的系数
则象函数 $F(s)$ 的原函数为
电路基本定律的复频域形式
基尔霍夫电流定律的复频域形式
复频域基尔霍夫电流定律KCL(s):对于任一集中参数电路中的任一节点,流出(或流入)该节点的所有支路电流象函数的代数和等于零。
基尔霍夫电压定律的复频域形式
复频域基尔霍夫电压定律KVL(s):对于任一集中参数电路中的任一回路,沿该回路的所有支路电压的象函数的代数和等于零。
电路元件的复频域形式
电阻元件VCR的复频域形式
在复频域中,电阻电压的象函数与电阻电流的象函数之间的关系也服从欧姆定律,即
电容元件VCR的复频域形式
在复频域中,电容元件电压-电流关系的复频域形式为
或
式中,
- $1 / s C$ 是 $u_{c}\left(0_{-}\right)=0$ 时 $U_{c}(s)$ 与 $I_{c}(s)$ 的比值,具有电阻的量纲,称为运算容抗
- $u_{C}\left(0_{-}\right) / s$ 是电容原始电压的象函数,可用独立电压源表示,此电压源反映电容原始储能对暂态过程的影响
- $s C$ 是运算容抗的倒数,称为运算容纳
- $C u_{C}\left(0_{-}\right)$ 可用独立电流源表示。
电感元件VCR的复频域形式
在复频域中,电感元件电压-电流关系的复频域形式为
或
式中,
- $s L$ 具有电阻的量纲,称为运算感抗,$1 / s L$ 称为运算感纳
- $i_{L}\left(0_{-}\right) / s$ 是电感原始电流的象函数,可用独立电流源表示
- $L i_{L}\left(0_{-}\right)$ 可用独立电压源表示。此电源反映电感原始储能对暂态过程的影响。
耦合电感元件VCR的复频域形式
耦合电感元件由电流向量表示电压向量关系的复频域形式为
耦合电感元件用电压向量表示电流向量关系的复频域形式为
运算电路
将电路中所有元件都用复频域模型表示,所有电压和电流都用相应的象函数表示,这样的电路就成为原电路的复频域模型,称为运算电路。
运算阻抗与运算导纳
一个处于零状态的无源一端口运算电路,端口电压象函数 $U(s)$ 与电流象函数 $I(s)$ 之比称为运算阻抗 $Z(s)$,即
与此相对应,端口电流象函数 $I(s)$ 与电压象函数 $U(s)$ 之比称为运算导纳 $Y(s)$,即
常见电路元件的运算阻抗:
电阻 $R$:$Z(s)=R$
电容 $C$:$Z(s)=1 /(sC)$
电感 $L$:$Z(s)=s L$
用运算法分析线性非时变动态电路
- 将时域电路变换为运算电路。
- 用第二章、第三章的电路分析方法建立电路的复频域代数方程,并求解方程。
- 将求得响应的象函数进行部分分式展开,用拉普拉斯反变换求出响应的原函数。
网络函数
定义
一个零状态的运算电路,输入激励的象函数为 $W(s)$,零状态响应的象函数为 $Y(s)$,则网络函数 $H(s)$ 定义为零状态响应象函数 $Y(s)$ 与激励象函数 $W(s)$ 之比,即
驱动点函数
- 当激励是电流源电流,响应是同一端口的电压时,网络函数称为驱动点阻抗(或入端阻抗)
- 当激励是电压源电压,响应是流入电路同一端口的电流时,网络函数称为驱动点导纳(或入端导纳)
- 驱动点阻抗和驱动点导纳统称为驱动点函数
- 对同一电路的同一端口,驱动点阻抗和驱动点导纳互为倒数
转移函数
- 如果响应和激励不在电路的同一端口,则称为转移函数,也称为传输函数
- 当激励是电压源电压,响应是另一端口的电压(除电压源所在支路外其他支路上的电压)时,网络函数称为转移电压比
- 在不同端口的响应电流与电流源电流之比,称为转移电流比
- 不同端口的响应电压与电流源电流之比,网络函数称为转移阻抗
- 不同端口的响应电流与电压源电压之比则称为转移导纳
零点和极点
零状态响应可以表示成 $s$ 的实系数有理函数
- $B(s)=0$ 的根,为 $Y(s)$ 的极点,决定零状态响应各分量随时间变化的规律
- $A(s)=0$ 的根,为 $Y(s)$ 的零点,决定零状态响应各分量的大小
- $D(s)$ 为电路的特征多项式,$D(s)=0$ 的根为特征根或固有频率,也是网络函数的极点,决定固有响应随时间变化的规律
- $Q(s)=0$ 的根,决定强制响应各分量随时间变化的规律
网络函数和冲激响应
- 电路的零状态响应象函数等于网络函数与激励象函数的乘积。
- 网络函数的拉氏反变换就是单位冲激响应,或者说网络函数就是冲激响应的象函数。
极零点图
将网络函数的零点和极点标示在 $s$ 平面上。通常用“$\circ$”表示零点,用“$\times$”表示极点
$H(s)$ 的极点分布与冲激响应的关系
- 极点全都在 $s$ 平面的开左半平面上:电路渐近稳定
- 有一个实极点或一对共轭复极点在 $s$ 平面的开右半平面上:电路不稳定
- 极点全在 $s$ 平面的闭左半平面上,且位于虚轴上的为单极点:电路临界稳定或振荡
- 极点全都在 $s$ 平面的闭左半平面上,且位于虚轴上的为重极点:电路不稳定
另外,冲激响应衰减(或发散)的快慢和振荡的快慢也与网络函数的极点在 $s$ 复平面的位置密切相关。
- 极点越靠近虚轴,冲激响应的衰减(或发散)越慢
- 极点越靠近实轴,冲激响应的振荡越慢。
总之,
- 对一个渐近稳定电路来说,它任何一个网络函数的极点都必须位于 $s$ 复平面的开左半平面上
- 对于一个稳定电路(包括临界稳定电路)来说,它的任何一个网络函数的极点都不得位于 $s$ 复平面的开右半平面上,在虚轴上的极点必须是一阶的(无重极点)。
固有频率
电路变量的固有频率
定义
在线性非时变电路中,若电路变量 $y(y)$ 的零输入响应方程的特征根 $s_i(i=1,2,\cdots,n)$ 为单根,则称 $s_i$ 为电路变量 $y(t)$ 的一阶固有频率;若 $s_i$ 为特征方程的 $r$ 重根,则称 $s_i$ 为电路变量 $y(t)$ 的 $r$ 阶固有频率。
意义
电路变量的固有频率确定了该电路变量零输入响应的性质,因而从电路变量的固有频率也可获知电路是否稳定等信息。
- 若电路中各电路变量的固有频率全都位于 $s$ 复平面的开左半平面,则电路是渐近稳定的
- 若固有频率除位于 $s$ 复平面的开左半平面外,有一些位于虚轴上,但位于虚轴上的这些固有频率全都是一阶的,则电路是振荡的(临界稳定的)
- 若在虚轴上有高阶固有频率或在 $s$ 复平面的开右半平面上有固有频率,则电路是不稳定的。
电路的固有频率
定义
电路中所有电路变量固有频率的集合,称为电路的固有频率。换言之,电路中任一电路变量的任一固有频率都是电路的固有频率。
固有频率数
电路固有频率数=电路独立储能元件数,这个数目也称为电路的复杂度。
无源电路的复杂度
- 全电容回路:全部由电容或电容和独立电压源构成的回路
- 全电感割集:全部由电感或电感和独立电压源构成的割集
- 如果电路中有 $n_{C}$ 个电容元件,同时含有 $l_{C}$ 个相互独立的全电容回路,则独立电容电压数$=n_C-l_C$
- 如果电路中有 $n_{L}$ 个电感元件,同时含有 $q_{L}$ 个相互独立的全电感割集,则独立电感电流数$=n_L—q_L$
- 无源(RLC)电路的复杂度,即电路固有频率的数量 $n$ 为
有源电路的复杂度
在有源电路中,全电容回路和全电感割集仍然对电容电压和电感电流施加制约。另外,受控源或负值RLC元件的作用也可能对电容电压或电感电流产生约束。这种约束只有在电路元件取某一特定数值时才产生。因此对有源电路不可能写出明确的电路复杂度公式,只能给出其上、下限,即
零固有频率
如果电路的某一固有频率 $s_{i}=0$,则称为零固有频率。当电路变量有零固有频率时,其零输入响应中就含有 $K \mathrm{e}^{0 t}=K$,即常数项。电路中出现零固有频率只有两种可能。
- 如果零输入响应是电流且为常量,只有全电感回路(全部由电感或电感和独立电压源构成的回路)才有可能保持恒定电流的流通。
- 如果零输入响应是电压且为常量,只有全电容割集(全部由电容或电容和独立电流源构成的割集)才有可能保持恒定电压的存在。
- 全电感回路中的恒定电流可以是由它们的初始值或者是与它们构成回路的电压源在置零前提供的。
- 全电容割集中的恒定电压可以是由它们的初始值或者是与它们构成割集的电流源在置零前提供的。
如果电路中含有 $l_{L}$ 个全电感回路和 $q_{C}$ 个全电容割集,则电路零固有频率的数量 $n_{0}$ 为
由上式可知,如果电路中不存在全电感回路和全电容割集,则电路就不可能有零固有频率,电路的零输入响应中也就不含有常数项。
固有频率的求取
第八章 正弦稳态电路分析
相关概念
- 线性非时变电路在正弦电源激励下,若其响应(电压、电流等)都是与输入同频率的正弦量,则称该电路处于正弦稳态
- 处于正弦稳态的电路称为正弦稳态电路
- 在工程上,正弦稳态电路亦常被称为交流电路
正弦量
定义
按照正弦规律变化的物理量都称为正弦量。具有正弦函数形式或余弦函数形式变化规律的物理量,由于仅存在90°相位差,所以都称为正弦量。本书中以余弦函数形式表达正弦量。
用正弦量表示电压
电压 $u$ 的表达式为
式中,$U_{m}$、$\omega$ 和 $\varphi$ 分别为正弦电压的振幅(也称最大值)、角频率和初相。$T$ 为正弦电压的周期,SI单位为 $s$;$f$ 为正弦电压的频率,SI单位为 $\mathrm{Hz}$;$\omega=2 \pi / T$、$f=1/T$
相位关系
同频率的两正弦量之间的相位关系
- 若 $\varphi_{u}-\varphi_{i}>0$,则称 $u$ 超前于 $i$,也就是 $u$ 的波形比 $i$ 的波形先达到最大值或先达到零值
- 若 $\varphi_{u}-\varphi_{i}<0$,则称 $u$ 滞后于 $i$。超前或滞后的相位差通常以 $180^{\circ}$ 为限
- 如两个正弦量的相位差为 $0$,则称它们同相
- 如两个正弦量的相位差为 $90^{\circ}$,则称它们相位正交
- 如两个正弦量的相位差为 $180^{\circ}$,则称它们反相
正弦量的有效值和平均值
正弦量的瞬时值是随时间而变的,对正弦量的计量通常不用其瞬时值而用其有效值。在工程中将正弦量或周期量在一个周期内的做功能力换算成具有相同做功能力的直流量,该直流量的大小称为有效值,并用相应的大写字母表示。有效值也被称为均方根值。
周期量的平均值则是指在一个周期内绝对值的平均值。
对一周期量x(t),有效值、平均值规定为
相量
定义
在正弦稳态电路中,由于电路变量都是相同频率的正弦量,因此在已知频率的情况下,可以只关注电路变量的振幅和初相。相量就是用于表示正弦量振幅和初相的与时间无关的复数。
相量表示
设有一正弦量
对应相量为
也可表示为
式中,$\dot{F}_{\mathrm{m}}$ 是一个复数,其模 $F_{\mathrm{m}}$ 和辐角 $\varphi$ 分别为正弦量 $f(t)$ 的振幅和初相。把这个含有正弦量 $f(t)$ 三要素中的振幅和初相信息的复数称为振幅相量。
有效值相量
把 $F \angle \varphi$ 称为有效值相量,记为 $\dot{F}$,有效值相量也是一个复数,它的模和辐角分别为正弦量的有效值和初相。
相量图
相量是一个复数,在复平面上可以用有向线段表示,其中有向线段的长度代表正弦量的有效值或幅值,有向线段与实轴之间的夹角代表正弦量的初相。这种表示相量的图形称为相量图。
旋转因子和旋转相量
复数 $\mathrm{e}^{\mathrm{j} \omega t}$ 的模为 $1$,辐角为 $\omega t$ 。由于 $\omega t$ 是时间 $t$ 的函 数,所以 $\mathrm{e}^{\mathrm{j} \omega t}$ 是一个以恒定角速度 $\omega$ 逆时针方向旋转的单位长度有向线段, 称为旋转因子。振幅相量与旋转因子的乘积 $\dot{F}_{\mathrm{m}} \mathrm{e}^{\mathrm{j} \omega t}=\sqrt{2} \dot{F} \mathrm{e}^{\mathrm{j} \omega t}$ 表示长度为 $F_{\mathrm{m}}=\sqrt{2} F$ 的有向线段在复平面上以角速度 $\omega$ 逆时针方向旋转,它随时间 $t$ 的不同,在复平面上旋转到不同的位置。称 $\dot{F}_{\mathrm{m}} \mathrm{e}^{\mathrm{j} \omega t}$ 为旋转相量。
相量变换的性质
线性性质
令 $k_{1}$ 和 $k_{2}$ 是常量,已知正弦量 $f_{1}(t)$ 和 $f_{2}(t)$ 对应的相量分别是 $\dot{F}_{1}$ 和 $\dot{F}_{2}$,则正弦量 $k_{1} f_{1}(t) \pm k_{2} f_{2}(t)$ 对应的相量为 $k_{1} \dot{F}_{1} \pm k_{2} \dot{F}_{2}$
微分性质
令正弦量 $f(t)$ 对应的相量是 $\dot{F}$,则 $\frac{\mathrm{d} f(t)}{\mathrm{d} t}$ 对应的相量为 $\mathrm{j} \omega \dot{F}_{\circ}$
积分性质
令正弦量 $f(t)$ 对应的相量是 $\dot{F}$,则 $\int f(t) \mathrm{d} t$ 对应的相量为 $\frac{1}{\mathrm{j} \omega} \dot{F}$
电路定律和电路元件的相量形式
基尔霍夫定律的相量形式
KCL方程的相量形式:对于在正弦稳态条件下的任一集中参数电路中的任一节点,流出(或流入)该节点的所有支路电流相量的代数和等于零。
式中,$\dot{I}_{k}$ 表示连接该节点第 $k$ 条支路的电流有效值相量
KVL方程的相量形式:对于在正弦稳态条件下的任一集中参数电路中的任一回路,沿该回路的所有支路电压相量的代数和等于零。
式中,$\dot{U}_{k}$ 表示回路中第 $k$ 条支路的电压有效值相量
矩阵形式
电路元件电压-电流关系的相量形式
设电路元件两端的电压、电流取一致参考方向,并且电压、电流正弦量及其有效值相量分别为
总结
(Todo:总结(电阻电容电感的相量图))
电阻元件
- 电阻元件电压有效值与电流有效值之间的关系服从欧姆定律,并且具有相同的初相位
电容元件
- 电容电压滞后电容电流90°
电感元件
- 电感电压超前电感电流90°
耦合电感元件
阻抗、导纳、容抗、感抗
阻抗
对于正弦稳态无源一端口电路,假设端口电压 $u$ 和端口电流 $i$ 对应的相量分别为 $\dot{U}$ 和 $\dot{I}$。定义该一端口电路的阻抗为端口电压相量 $\dot{U}$ 与电流相量 $\dot{I}$ 之比,并记作 $Z$,即
一端口电路的阻抗亦称为输入阻抗或驱动点阻抗,其 SI 单位为欧姆($\Omega$)。
阻抗的其他表示法
阻抗是在频率 $\omega$ 下的一个复数。如果频率发生变化,阻抗也随之改变。为了反映阻抗与频率相关的特点,阻抗也可以表示为
其中 $Z(j \omega)$ 的模为
$Z(\mathrm{j} \omega)$ 的辐角 $\varphi_{Z}(\omega)$ 称为阻抗角,且
当阻抗的电阻分量为正时,阻抗角的主值范围为 $\left|\varphi_{Z}(\omega)\right| \leqslant 90^{\circ}$。阻抗也可用它的实部和虚部表示,即
式中,
- $R(\omega)$ 是 $Z(\mathrm{j} \omega)$ 的实部,称为电阻分量,一般由电路的拓扑结构、各元件参数和频率共同决定
- $X(\omega)$ 是 $Z(\mathrm{j} \omega)$ 的虚部,称为电抗分量,一般由电路的拓扑结构、各元件参数和频率共同决定
欧姆定律的相量形式
- 电阻的阻抗:$Z_{R}=R$
- 电容的阻抗:$Z_{C}=\frac{1}{\mathrm{j} \omega C}=-\mathrm{j} \frac{1}{\omega C}=\frac{1}{\omega C}\angle -90^{\circ}$
- 电感元件的阻抗:$Z_{L}=\mathrm{j} \omega L=\omega L\angle 90^{\circ}$
于是,三种基本电路元件电压-电流相量关系可以统一为 $\dot{U}=Z \dot{I}$
上式称为欧姆定律的相量形式。
容抗
电容或电感的阻抗均为虚数,即只存在电抗分量。对电容而言
称为电容的电抗,简称容抗
- 当 $C$ 值一定时,容抗与频率 $\omega$ 成反比
- 当 $\omega=0$ 时,$\left|X_{C}\right|=\infty$,表明电容可等效为开路,所以电容具有隔离直流的性质
- 随着 $\omega$ 的增大,$\left|X_{C}\right|$ 则减少
- 当 $\omega \rightarrow \infty$ 时,$\left|X_{C}\right| \rightarrow 0$,此时电容可等效为短路,因此电容具有通过交流的性质。
感抗
对电感而言
称为电感的电抗,简称感抗
- 当 $L$ 值一定时,感抗与频率成正比
- 当 $\omega=0$ 时,$X_{L}=0$,电感可等效为短路,所以电感具有通过直流的性质
- 随着 $\omega$ 的增大,$X_{L}$ 则增大
- 当 $\omega \rightarrow \infty$ 时,$X_{L} \rightarrow \infty$,电感可等效为开路,因此电感具有阻碍交流通过的性质。
导纳
一端口电路的端口电流相量 $\dot{I}$ 与电压相量 $\dot{U}$ 之比定义为导纳,记为 $Y$,即
一端口电路的导纳亦称为输入导纳或驱动点导纳,其 SI 单位为西[门子] (S)。
导纳也是一个随频率变化的复数,可以表示为
$Y(j \omega)$ 的模为
$Y(\mathrm{j} \omega)$ 的辐角 $\varphi_{Y}(\omega)$ 称为导纳角,且
显然,当阻抗的电阻分量为正时,导纳角的主值范围亦为 $\left|\varphi_{Y}(\omega)\right| \leqslant 90^{\circ}$。导纳也可用它的实部和虚部表示,即
式中,$G(\omega)$ 是 $Y(\mathrm{j} \omega)$ 的实部,称为电导分量;$B(\omega)$ 是 $Y(\mathrm{j} \omega)$ 的虚部,称为电纳分量。一般来说,电导分量或电纳分量也不能简单理解为仅由电阻或电容、电感所确定,而分别由电路的拓扑结构、电路中的元件参数和频率共同确定。
电容或电感的导纳也均为虚数,即只存在电纳分量。对电容而言
称为电容的电纳,简称容纳。
对电感而言
称为电感元件的电纳,简称感纳。
阻抗和导纳的关系
对于已知的一端口电路,在同一频率下,阻抗 $Z(\mathrm{j} \omega)$ 和导纳 $Y(\mathrm{j} \omega)$ 互为倒数关系,即
因此已知阻抗便可得到导纳,反之亦然。由上式可得
或
如果采用实部和虚部表示阻抗和导纳,则它们之间的关系为
或
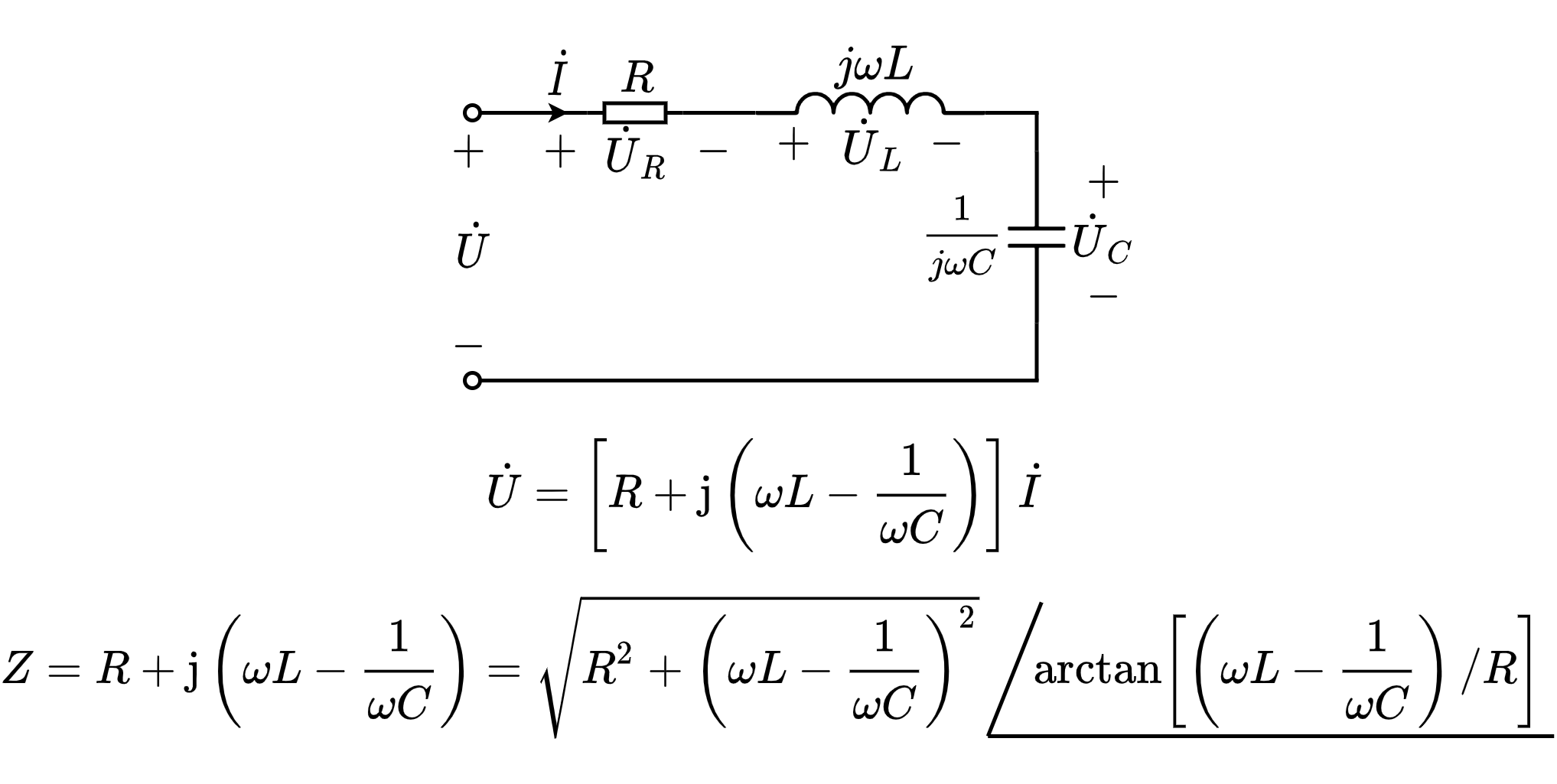
RLC串联电路的相量模型
式中,$\varphi_{Z}=\arctan \left[\left(\omega L-\frac{1}{\omega C}\right) / R\right]$ 是 $RLC$ 串联电路的阻抗角。$RLC$ 串联电路的输入阻抗的实部是电阻 $R$;虚部是电抗 $X$,为电感的感抗 $X_{L}$ 与电容的容抗 $X_{C}$ 之和。
RLC串联电路的输入导纳为
导纳的模为
导纳角
电压相量的模(即电压的有效值)是阻抗的模与电流相量的模(即电流的有效值)之乘积,其辐角(即电压的初相)是阻抗的辐角(即阻抗角)与电流相量的辐角(即电流的初相)之代数和。
- 当 $X_{L}+X_{C}>0$ 时,$\varphi_{Z}$ 为正,电压超前于电流,称为感性电路
- 当 $X_{L}+X_{C}=0$ 时,$\varphi_{Z}=0$,电压与电流同相,称为电阻性电路
- 当 $X_{L}+X_{C}<0$ 时,$\varphi_{Z}$ 为负,电压滞后于电流,称为容性电路
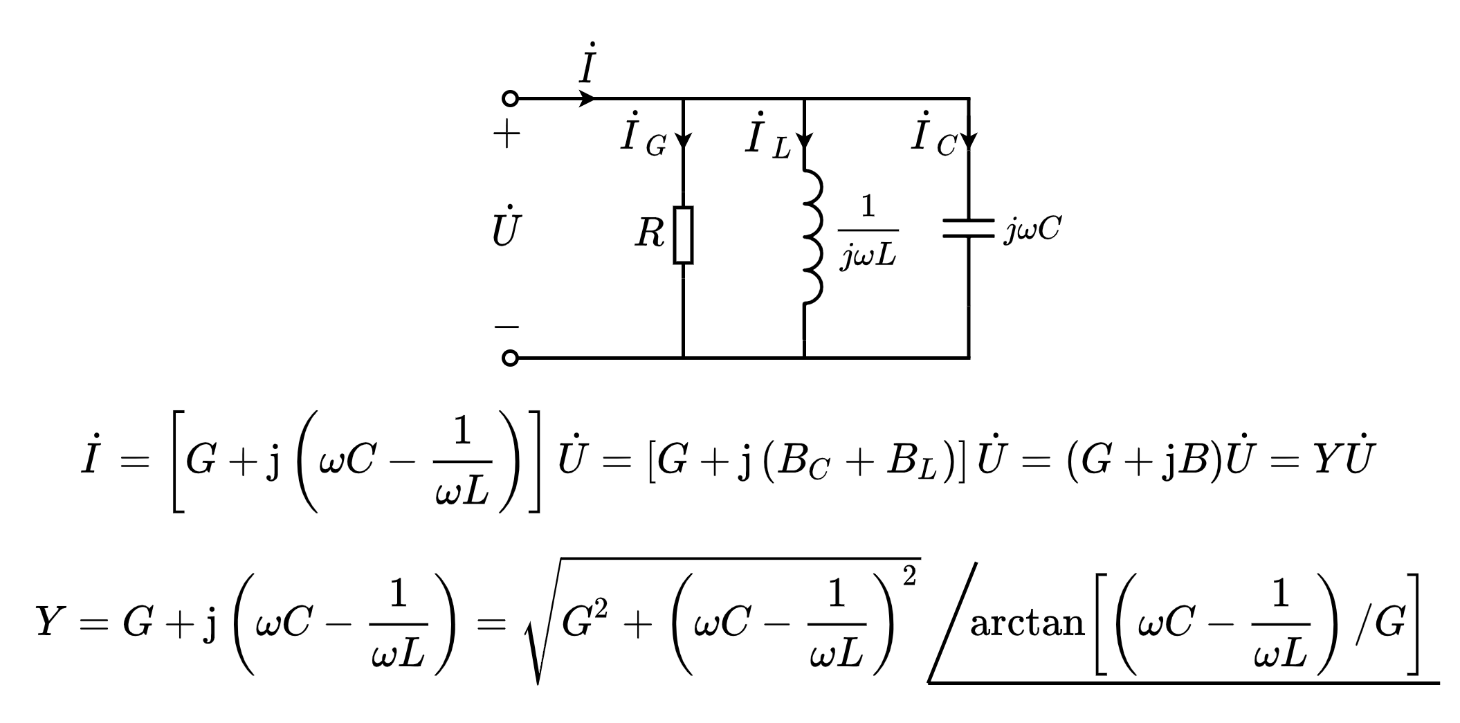
GCL并联电路的相量模型
GCL并联电路的输入导纳的实部是电阻的电导 $G$;虚部是电感的感纳 $B_{L}$ 与电容的容纳 $B_{C}$ 之和。
GCL并联电路的输入阻抗为
阻抗的模为
阻抗角的表达式为
可见,电流相量的模(即电流的有效值)是导纳的模与电压相量的模(即电压的有效值)之乘积,而其辐角(即电流的初相)是导纳的辐角(即导纳角)与电压相量的辐角(即电流的初相)之代数和。
- 当 $B_{L}+B_{C}<0$ 时,$\varphi_{Y}$ 为负,电流滞后于电压,电路是感性电路
- 当 $B_{L}+B_{C}=0$ 时,$\varphi_{Y}=0$,电流与电压同相,电路是电阻性电路
- 当 $B_{L}+B_{C}>0$ 时,$\varphi_{Y}$ 为正,表示电流超前电压,电路是容性电路
正弦稳态电路的相量分析法
主要步骤
- 将时域电路变换为相量模型即符号电路(有时可省略相量模型)
- 根据相量形式的基尔霍夫定律和元件的电压-电流关系,建立电路的相量方程,用复数运算法则求解方程
- 将所得到的相量解,用相量反变换求出解的时域表达式
含耦合电感元件正弦稳态电路的分析
变压器是电子技术中经常使用的器件,它通常包含一个初级线圈和一个次级线圈。初级线圈一般接信号源或电源,次级线圈一般接负载,信号或能量通过磁场的耦合,由信号源或电源传递给负载。变压器两个线圈的耦合可以用铁心,称为铁心变压器;也可以不用铁心,称为空心变压器。铁心变压器的耦合系数可接近 $1$,属于紧耦合;空心变压器的耦合系数较小,属于松耦合。
空心变压器电路的相量模型
令 $Z_{11}=Z_{\mathrm{S}}+R_{1}+j \omega L_{1}$ 为初级回路的自阻抗, $Z_{22}=R_{2}+j \omega L_{2}+Z_{\mathrm{L}}$ 为次级回路的自阻抗, 则可解得初级回路电流 $\dot{I}_{1}$ 和次级回路电流 $\dot{I}_{2}$ 分别为
从电压源端看去的输人阻抗 $Z_{\mathrm{i}}$ 为
从信号源或电源端看去的输人阻抗 $Z_{\mathrm{ab}}$ 为
定义次级回路在初级回路中的反映阻抗 $Z_\mathrm{r}$,反映阻抗表示次级回路自阻抗 $Z_{22}$ 折算到初级回路的阻抗大小。则可得初级电路等效电路
铁心变压器电路
当铁心变压器的耦合系数可认为等于 $1$,而电感为有限值时,这样的变压器称为全耦合变压器。全耦合变压器是全耦合电感元件的原型,在分析全耦合变压器时,常采用下图所示的电路模型。下面所示两个电路互为等效电路。
一般变压器的电感既不能为无穷大,耦合系数也往往小于 $1$。这说明变压器中的磁通除了互磁通之外,还有漏磁通。漏磁通对应的电感称为漏电感。假设两个线圈的漏电感分别为 $L_{\mathrm{s} 1}$、$L_{\mathrm{s} 2}$,如果从两个线圈的电感中减去各自所具有的漏电感,就可以得到一个全耦合变压器下图中虚线框内所示,其中互感 $M^{\prime}$ 为
正弦稳态一端口电路的功率
瞬时功率
对于正弦稳态一端口电路,设其端口电压和端口电流分别为
则该一端口电路吸收的功率为
该功率是一个随时间变化的量,称为瞬时功率。瞬时功率 $p$ 包括两项,一项为常量,另一项为正弦量,频率是电压(电流)频率的二倍。可以看出 $p$ 有时为正,有时为负。$p>0$ 表示一端口电路吸收功率,$p<0$ 表示一端口电路发出功率,这表明一端口电路与外电路之间有能量往返交换。另外,$p$ 为正时的波形所覆盖的面积大于 $p$ 为负时波形所覆盖的面积,这说明一端口电路吸收的功率多于其向外电路发出的功率,也就是说一端口电路吸收的能量多于发出的能量,在其内部有能量消耗。
平均功率和无功功率
将瞬时功率在一个周期内的平均值定义为平均功率,简称功率,即
平均功率的 SI 单位为瓦 (W)。平均功率亦称为有功功率,是电路中实际消耗的功率。
则一端口电路吸收的平均功率为
其中
称为功率因数。$\varphi=\varphi_{u}-\varphi_{i}$ 表示电压超前电流的相位角,也称为功率因数角。
电阻的功率
电阻 $R$ 上的电压、电流两者同相位,$\varphi=0$,从而 $\lambda=1$。电阻吸收的瞬时功率和平均功率分别为
由上式知,$p_{R} \geqslant 0$,电路中的正电阻总是吸收功率。
电感的功率
若一端口电路只由一个电感 $L$ 构成,由于电感 $L$ 上的电压超前电流 $90^{\circ}$,即 $\varphi=90^{\circ}$,从而 $\lambda=0$。
电感吸收的瞬时功率和平均功率分别为
从以上两式中可以看出,对电感元件,在正弦稳态下吸收的瞬时功率以 $2 \omega$ 的频率波动,平均值为零。电感元件吸收的瞬时功率可正可负,而消耗的有功功率为零,表明电感元件与外电路存在能量往返交换的现象,但不消耗能量,能量交换的大小由端口电压、电流有效值的乘积所确定。
电感的无功功率
定义电感元件的无功功率 $Q_{L}$:
无功功率单位为乏(var),无功功率用以表征电感元件与外电路之间能量往返的规模。
电感的能量
电感元件的瞬时能量为
上式表明电感储存的能量以 $2 \omega$ 的频率在其平均值上下波动,但在任意时刻,$w_{L} \geqslant 0$。电感储能平均值为
由于对电感元件有
也即 $U=\omega L I$, 从而得出
由上式可知,如果电感的平均储能越多,与外电路能量往返的频率越高,那么其无功功率就越大。
电容的功率
若一端口电路只由一个电容 $C$ 构成,由于电容 $C$ 上的电压滞后电流 $90^{\circ}$,即 $\varphi=-90^{\circ}$,从而 $\lambda=0$。与上面讨论类似,电容吸收的瞬时功率和平均功率分别为
因此,电容元件在正弦稳态下吸收的瞬时功率以 $2\omega$ 的频率波动,平均值也为零。与电感元件类似,电容元件不消耗能量,但是与外电路存在能量往返交换的现象,能量交换的大小也是由端口电压、电流有效值的乘积所确定。
电容的无功功率
定义电容元件的无功功率 $Q_{C}$:
电容元件的能量
电容元件的瞬时能量为
上式表明电容储存的能量以 $2 \omega$ 的频率在其平均值上下波动,但在任意时刻,$w_{C} \geqslant 0$。电容储能平均值为
电容元件的无功功率与平均储能之间的关系为
由上式可知,电容的无功功率为负,其大小为电容平均储能的 $2 \omega$ 倍。
容性与感性
对于一般的正弦稳态一端口电路,其端口电压与端口电流的相位差 $\varphi=\varphi_{u}-\varphi_{i}$,且端口等效阻抗的电阻分量非负时,$|\varphi| \leqslant 90^{\circ}$。
- 若 $\varphi>0$,则电路呈现电感性质(简称感性)
- 若 $\varphi<0$,则电路呈现电容性质(简称容性)
- 若 $\varphi=0$,则电路是阻性的。
无功功率
一端口电路吸收的平均功率为
式中,$U_{P}=U \cos \varphi_{0}$ 由相量图 8.6.6 可知,$\dot{U}_{P}$ 是与电流 $\dot{I}$ 同相位的电压分量,两者有效值之积得到有功功率,因此 $U \cos \varphi$ 称为电压的有功分量或有功电压。相量图中的 $\dot{U}_{Q}$ 是与电流 $\dot{I}$ 正交的电压分量,两者有效值之积得到无功功率,即
式中,$U_{Q}=U \sin \varphi$,称为电压的无功分量或无功电压。
无功功率具有功率的量纲,其 SI 单位为乏 (var)。无功功率是用以表征一端口电路与外电路之间能量往返的规模,其本身并不是做功的功率。
功率表
实际电路中的平均功率可用功率表来测量,功率表的符号如下图所示。
功率表有两对连接端钮,其中一对端钮与表内的电流线圈相连,使用时需与负载串联,用于测量负载电流;另一对端钮与表内的电压线圈相连,使用时需与负载并联,用于测量负载电压。在电流线圈和电压线圈的一端标有 “$*$” 或 “$\pm$”,用以表明电流、电压的参考方向,称为同名端。
表观功率
有功功率和无功功率的计算都涉及电压、电流有效值之积 $UI$,把这一乘积定义为表观功率或视在功率,记为 $S$,即
引人表观功率后,有功功率和无功功率又可分别表示为
因此 $P$、$Q$、$S$ 之间的关系为
表观功率的 SI 单位是伏安($\mathrm{V}\cdot \mathrm{A}$)。
复功率
为了能用电压相量和电流相量来计算功率,将有功功率 $P$ 和无功功率 $Q$ 分别作为实部和虚部构成一个复数变量,即
式中,$\dot{I}^{*}$ 是电流相量 $\dot{I}$ 的共辄复数。复数变量 $\widetilde{S}$ 称为复功率。复功率只是用于计算的复数变量,它不代表正弦量,因此不能视为相量。
复功率守恒
在正弦稳态下,电路中各支路吸收的复功率之代数和为零,电路中的平均功率和无功功率也分别守恒。
最大功率传输定理
如下图(a)所示正弦稳态电路,负载 $Z_{\mathrm{L}}=R_{\mathrm{L}}+\mathrm{j} X_{\mathrm{L}}$ 连接在一端口电路 $\mathrm{N}$ 上。当一端口电路 $\mathrm{N}$ 应用戴维宁定理后,可等效为图(b)所示的电路。设给定开路电压 $\dot{U}_{\mathrm{OC}}$ 和等效阻抗 $Z_{\mathrm{o}}=R_{\mathrm{o}}+\mathrm{j} X_{\mathrm{o}}$。下面从两种情况讨论负载获得最大功率的条件。
负载的电阻和电抗均可独立地变化
负载吸收的平均功率为
负载吸收最大功率的条件是
或者
即负载阻抗和电源等效阻抗互为共轭复数。当负载阻抗满足上式时,称负载阻抗和电源等效阻抗为最大功率匹配或共轭匹配。此时负载从电源取得最大功率
由于电源等效阻抗吸收的功率也是 $P_{\mathrm{o}}=U_{\mathrm{OC}}^{2} /\left(4 R_{\mathrm{o}}\right)$,因此电路的传输效率
负载阻抗角固定而模可改变
负载吸收的平均功率为
负载吸收最大功率的条件是
即负载阻抗的模与电源等效阻抗的模相等,称为模匹配。
功率因数的提高
发电机在额定电压和额定电流下运行时输出的平均功率 $P$ 与所接负载的功率因数 $\cos \varphi$ 密切相关,即 $P=U I \cos \varphi$。
- 当所接负载是电阻性负载时,$\cos \varphi=1$,发电机输出的平均功率为 $U I \cos \varphi=U I$,恰好等于发电机的容量
- 当负载是感性(或容性)负载时,因 $\cos \varphi<1$,发电机输出的平均功率要小于该机的容量,发电机得不到充分利用,且负载的功率因数越小,发电机输出的功率越小。
因此,为了充分利用发电机的容量,应该设法提高负载的功率因数。
电力系统和工业负载多数是感性负载。因此,在保证负载正常工作电压的基础上,为了提高功率因数,一般采用在感性负载上并联电容的方法。并联电容之后使端口的无功功率减小,从而达到了提高功率因数的目的。这种利用容性无功功率抵消部分感性无功功率以提高功率因数的方法称为无功补偿。
一个感性负载在已知其端电压和平均功率分别为 $U$ 和 $P$ 的情况下,若要将功率因数从 $\lambda_1$ 提高到 $\lambda_2$,需要并联电容的大小
正弦稳态网络函数
对于相量模型,在单一激励的情况下,网络函数定义为
式中,$\dot{W}(\mathrm{j} \omega)$ 为激励相量,$\dot{Y}(\mathrm{j} \omega)$ 为响应相量。$H(\mathrm{j} \omega)$ 是 $\mathrm{j} \omega$ 的函数。与 $s$ 域模型的网络函数类似,正弦稳态网络函数也包括驱动点函数和转移函数。网络函数可以反映电路的本质特性,由电路的拓扑结构和电路元件参数决定。
幅频特性和相频特性
对于任意一个线性非时变正弦稳态电路,当激励的有效值保持不变,而频率改变时,电路的响应也将改变,其变化的规律与网络函数 $H(j\omega)$ 的变化规律一致。电路的网络函数 $H(j\omega)$ 或响应随频率的变化规律称为频率响应。
将网络函数写成极坐标的形式
式中,
- $|H(\mathrm{j} \omega)|$ 为网络函数的模,$|H(\mathrm{j} \omega)|$ 与频率之间的关系特性称为电路的幅频特性,它反映响应和激励振幅(或有效值)的比值与频率之间的关系,描述幅频特性的曲线称为幅频特性曲线。
- $\varphi(\omega)$ 为网络函数的辐角,$\varphi(\omega)$ 与频率之间的关系特性称为电路的相频特性,它反映响应超前于激励的相位差与频率之间的关系,描述相频特性的曲线称为相频特性曲线。
- 电路的幅频特性和相频特性总称为频率特性。
s域网络函数与正弦稳态响应的关系
$s$ 域网络函数和正弦稳态网络函数之间具有如下的对应关系:
正弦稳态的叠加
- 如果 $\omega_{1} \neq \omega_{2}$,不能在复数域叠加,可以在时域叠加,$u_{k}(t)=u_{k}{ }^{\prime}(t)+u_{k}{ }^{\prime \prime}(t)$
- 如果 $\omega_{1}=\omega_{2}=\omega$,则可以在复数域叠加,$\dot{U}_{k}=\dot{U}_{k}{ }^{\prime}+\dot{U}_{k}^{\prime \prime}=U_{k} \angle \varphi$,$u_{k}(t)=\sqrt{2} U_{k} \cos (\omega t+\varphi) $
滤波电路
低通滤波电路
电路图
固有频率
网络函数
频率特性
以电容电压作为输出的一阶RC串联电路传输正弦电压时,输人电压的频率越高,输出电压振幅的衰减就越大,电路具有阻止高频输入电压通过和保证低频输入电压畅通的性能。
高通滤波电路
电路图
固有频率
网络函数
频率特性
当以电阻电压作为输出的一阶RC串联电路传输正弦电压时,输入电压的频率越高,输出电压振幅的衰减就越小
电路具有保证高频输入电压畅通和阻止低频输入电压通过的性能。
分贝
在工程上,用分贝(记为 $\mathrm{dB}$)作为单位进行度量 $|H(\mathrm{j} \omega)|$。$|H(\mathrm{j} \omega)|$ 所具有的分贝数被规定为 $20 \mathrm{lg}|H(\mathrm{j} \omega)|$。在 $\omega_{0}=1 / R C$ 时,$\left|H\left(\mathrm{j} \omega_{0}\right)\right| \approx 0.707$,所以其分贝数为 $20 \mathrm{lg}|H(\mathrm{j} \omega)|=20 \mathrm{lg} 0.707 \approx -3$。
截止频率
引入度量单位分贝之后,就可以把输出电压振幅下降至输人电压振幅的 $1 / \sqrt{2}$ 倍改说成下降了 $3$ 分贝,并把 $\omega_{0}$ 称为 $3$ 分贝频率或截止频率。
通频带
- 频率从 $0$ 到 $\omega_{0}$ 的一段定为一阶低通滤波电路的通频带
- 频率从 $\omega_{0}$ 到 $\infty$ 的一段定为一阶高通滤波电路的通频带。
RLC串联滤波电路
电路图
谐振频率
品质因数
以电容电压为响应
网络函数
频率特性
- 当 $\omega / \omega_{0}=0$ 时,$\left|H_{c}(j \omega)\right|=1, \varphi_{C}(\omega)=0^{\circ}$
- 当 $\omega / \omega_{0}=1$ 时,$\left|H_{C}(\mathrm{j} \omega)\right|=Q, \varphi_{C}(\omega)=-90^{\circ}$
- 当 $\omega / \omega_{0}=\infty$ 时,$\left|H_{c}(\mathrm{j} \omega)\right|=0, \varphi_{C}(\omega)=-180^{\circ}$
可见 RLC 串联电路对高频率电压有较大衰减,从而构成低通滤波电路。
以电感电压为响应
网络函数
频率特性
- 当 $\omega / \omega_{0}=0$ 时,$\left|H_{L}(\mathrm{j} \omega)\right|=0, \varphi_{L}(\omega)= 180^{\circ}$
- 当 $\omega / \omega_{0}=1$ 时,$\left|H_{L}(\mathrm{j} \omega)\right|=Q, \varphi_{L}(\omega)=90^{\circ}$
- 当 $\omega / \omega_{0}=\infty$ 时,$\left|H_{L}(\mathrm{j} \omega)\right|= 1, \varphi_{L}(\omega)=0^{\circ}$
可见 RLC 串联电路对低频率电压有较大衰减,从而构成高通滤波电路。
以电阻电压为响应
网络函数
频率特性
- 当 $\omega / \omega_{0}=0$ 时,$\left|H_{R}(j \omega)\right|=0, \varphi_{R}(\omega)= 90^{\circ}$
- 当 $\omega / \omega_{0}=1$ 时,$\left|H_{R}(\mathrm{j} \omega)\right|=1$,达到最大,$\varphi_{R}(\omega)=0^{\circ}$
- 当 $\omega / \omega_{0}=\infty$ 时,$\left|H_{R}(\mathrm{j} \omega)\right|=0, \varphi_{R}(\omega)=-90^{\circ}$
可见 RLC 串联电路对低频率电压和高频率电压 有较大衰减,从而构成带通滤波电路。
截止频率
通带宽度
RLC带通滤波电路的通带宽度与品质因数成反比。电路中电阻 $R$ 越大,品质因数 $Q$ 越低,通带宽度就越宽。
以电容电压和电感电压之和为响应
网络函数
频率特性
- 当 $\omega / \omega_{0}=0$ 时,$\left|H_{L C}(\mathrm{j} \omega)\right|=1, \varphi_{L C}(\omega)= 0^{\circ}$
- 当 $\omega / \omega_{0}=1$ 时,$\left|H_{R}(\mathrm{j} \omega)\right|=0$,达到最小
- 当 $\omega / \omega_{0}=\infty$ 时,$\left|H_{R}(\mathrm{j} \omega)\right|=1 , \varphi_{R}(\omega)=0^{\circ}$
可见 RLC 串联电路对 $\omega_{0}$ 频率附近电压有较大哀减,从而构成带阻滤波电路。
截止频率
通带宽度
RLC 带阻滤波电路的通带宽度与品质因数成反比。电路中电阻 $R$ 越大,品质因数 $Q$ 越低,阻带宽度就越宽。
有源滤波电路
略
谐振电路
谐振的定义
电路谐振是在特定条件下出现在电路中的一种现象。对一个一端口电路,若出现了其端口电压与端口电流同相的现象,则说此电路发生了谐振。能发生谐振的电路称为谐振电路,而使谐振发生的条件称为谐振条件。电路谐振广泛应用在无线电、通信工程中。在电力系统中,电路谐振通常会造成对电路的冲击,使设备损坏,因此必须加以避免。
RLC串联谐振电路
谐振条件
功率与能量
- 电路的功率因数 $\cos\varphi=1$
- 平均功率 $P=UI$,这表明电源向电路提供电阻消耗的电能
- 无功功率 $Q=0$,这表明电源与电路之间无能量交换
- 尽管电源与电路之间无能量交换,但电路中电感与电容之间却有能量交换,且为等量交换。
- 电路谐振时RLC串联电路所储存的电磁能量恒为常数
品质因数
根据上式可以推知,电路储存的电磁能量越多和一个周期消耗的能量越少,品质因数 $Q$ 就越大,否则就越小。
电路的感性和容性
- 当 $\omega<\omega_{0}$ 时,$\left(X_{L}+X_{C}\right)<0, Z(\mathrm{j} \omega)$ 是容性的
- 当 $\omega= \omega_{0}$(谐振)时,$X_{L}+X_{C}=0, Z(\mathrm{j} \omega)=R$ 是电阻性的
- 当 $\omega>\omega_{0}$ 时,$\left(X_{L}+X_{C}\right)>0 , Z(\mathrm{j} \omega)$ 是感性的。
阻抗角 $\varphi(\omega)$ 随 $\omega$ 的变化是从 $-90^{\circ}(\omega=0)$ 经过 $0^{\circ}\left(\omega=\omega_{0}\right)$ 而达到 $+90^{\circ}(\omega=\infty)$。
电流谐振曲线
- $Q$ 大则曲线变化陡峭,$Q$ 小则曲线变化平坦
- 只有频率与谐振频率 $\omega_0$ 相同和与 $\omega_0$ 相差不多的电流可以通过电路,其他的则受到衰减。
- 把电路具有这种选择谐振频率附近的电流的性质称为电路的选择性。
- 电路的 $Q$ 值越大,电路的选择性越好。
电容电压谐振曲线
对 $U_{C}(\omega) \sim \omega$ 曲线来说,$\omega=0$ 时 $U_{C}=U$,此时如果 $Q$ 很小($Q<1 / \sqrt{2}$),则因 $1 / \omega C$ 随着 $\omega$ 的上升而下降的速度大于电流的上升速度,$U\_{C}$ 将一直下降,到 $\omega \rightarrow \infty$ 时而趋近于零。但如果 $Q$ 值较大($Q>1 / \sqrt{2}$),则因此时电流的上升速度快于 $X_{C}$ 的下降速度,在 $\omega$ 到达 $\omega_{0}$ 之前 $U_{C}$ 将一直上升而达到最大值 $U_{C \mathrm { max }}$,过此值后电流上升的速度变慢,$U_{C}$ 开始下降,直到随着 $\omega \rightarrow \infty$ 而趋近于零。
若 $Q>\frac{\sqrt{2}}{2}$,当
时,$\frac{U_{C}}{U}$ 取到最大值
电感电压谐振曲线
对 $U_{L}(\omega) \sim \omega$ 曲线来说,当 $\omega=0$ 时 $U_{L}=0_{\circ}$。当 $\omega$ 由 $0$ 增大到 $\omega_{0}$ 时,$X_{L}$ 和 $I$ 都在增大,所以 $U_{L}$ 也在增大,刚过 $\omega_{0}$ 点时,因 $X_{L}$ 随 $\omega$ 直线上升,电流虽在下降,但下降不多,结果 $U_{L}$ 仍继续上升。在这以后,如果 $Q$ 值较小($Q<1 / \sqrt{2}$),随着 $\omega$ 的增加,因为 $I$ 下降的速度比 $X\_{L}$ 上升的速度慢,$U\_{L}$ 将一直上升,到 $\omega \rightarrow \infty$ 时趋近于电源电压值;如果 $Q$ 值较大($Q>1 / \sqrt{2}$),则随着 $\omega$ 的增加,因为 $I$ 下降的速度会渐渐超过 $X_{L}$ 上升的速度,$U_{L}$ 将在达到最大值 $U_{L \max }$ 后,再下降而趋近于电源电压值。
若 $Q>\frac{\sqrt{2}}{2}$,当
时,$\frac{U_{L}}{U}$ 取到最大值
GCL并联谐振电路
(Todo)
第九章 三相电路
定义
三相电路是由三相电源、三相负载和三相传输线路组成的电路。三相电路在发电、输电、配电,以及大功率用电设备等电力系统中应用广泛。由三相电源供电的体系称为三相制。一般情况下,三相发电机产生三个频率相同、振幅相等、相位依次相差120°、随时间按正弦变化的电压,被称为对称三相电压,产生对称三相电压且各相阻抗相等的电源称为对称三相电源。
相关概念
相序
在三相电压中,各相电压经过同一量值(例如极大值)的先后次序称为三相电压的相序。
三相电路的相序只有两种情况:
- $U-V-W$,称为正序(或叫顺序)
- $U-W-V$,称为负序(或叫逆序)
对于三相电压的相序,如不加说明,就默认是正序。
对称负载与不对称负载
在三相电路中,负载一般也是三相的,即由三个部分所组成,每一部分称为负载的一个相。如果三相负载的各相阻抗值相同,则称为对称三相负载。例如三相电动机就是一种对称三相负载。三相负载也可由三个不同阻抗的单相负载(如电灯或空调等)组成,构成不对称三相负载。
点和线、电压和电流
- 三个相连在一起的公共点称为三相电路的中性点或零点,分别用N和N’表示。
- 三相电源星形联结的中性点N与三相负载星形联结的中性点N’之间的连线称为中性线,亦称为零线。
- 分别从始端引出的三根导线称为端线或火线。
- 在对称三相电路中,中性线上的电压为零,在不对称三相电路中,中性线上的电压通常不为零。
- 具有三根端线及一根中性线的三相电路称为三相四线制电路;如果只接三根端线而不接中性线,则称为三相三线制电路。
- 电源或负载各相的电压称为相电压。
- 端线之间的电压称为线电压。
- 三相电路的电压,如不加说明的,都是指线电压,且为有效值。
- 流过各相电源或负载的电流称为相电流。
- 流过各端线的电流称为线电流。
- 流过中性线的电流称为中性线电流。
三相电路的连接方式
Y型连接(星形连接)
电路图
电源电压关系
- 相电压的时域表达式
- 相电压的相量表达式
- 线电压的时域表达式
线电压的相量表达式
若电压是三相对称的,则线电压也是三相对称的。线电压的有效值是相电压的有效值的 $\sqrt{3}$ 倍
- 如果三相电压是对称的,则各相电压的瞬时值之代数和等于零,各相电压相量之代数和也等于零。
△型连接(三角形连接)
电路图
等效替换
负载电流关系
- 相电流的相量表达式
线电流的相量表达式
若电压源、负载都是三相对称的,则线电流也是三相对称的。线电流的有效值是相电流的有效值的 $\sqrt{3}$ 倍
- 若电压源、负载都是三相对称的,则各相电流的瞬时值之代数和等于零,各相电流相量之代数和也等于零。
负载的Y-Delta变换
对称三相电路的计算
- 一相计算法:由N’与N点等电位,可用短路等效,每相电路都与N’N短路连线构成一个独立回路,使各相的计算具有独立性。
- 一旦求出一相中的电流及各元件电压,就可根据三相电路的对称性,写出另外两相中的电流及各元件电压
- 对于不是星形-星形联结对称三相电路,若要用一相计算法进行求解,则可将三角形联结部分等效变换成星形联结后进行计算。
复杂的对称三相电路
- 复杂的对称三相电路是指含有多个对称三相电源和(或)对称三相负载的对称三相电路。
- 复杂的对称三相电路中电源或负载的连接方式可以是星形联结或三角形联结。
分析这种电路的基本步骤为:
- 不论电源还是负载,首先将其等效变换为星形联结的电源或负载。
- 将各电源及负载的中性点短接,作出一相(例如 $U$ 相)计算电路,即用一相计算法求出一相中的电流以及各电压值。
- 根据对称性求出其余两相的电流以及各电压值。
不对称三相电路的计算
不对称三相电路不能像对称三相电路那样用一相计算法进行计算,应该作为一般的正弦稳态电路进行分析,可以采用相量法,应用节点分析方法求解。
相序测定器
下图(a)所示星形联结的不对称三相负载由一个电容元件 $C$ 和两个等效电阻 $R$ 相等的白炽灯泡所组成,称为相序测定器。当它的三个端点接至对称三相电源时,可根据两灯泡的明暗确定电源的相序。设 $R=(1/\omega C)$。
如果把电容元件作为 $U$ 相,则白炽灯泡较亮的一相为 $V$ 相,较暗的一相为 $W$ 相,简记:电容、亮、暗。
三相电路的功率
瞬时功率
上式表明,在对称三相电路中,三相电源或三相负载的瞬时功率 $p$ 是不随时间变化的常量,其值在任一瞬间都等于一个恒定量。这种性质称为瞬时功率平衡。
平均功率(有功功率)
在对称三相电路中,不论电源或负载的连接方式如何,它们的三相功率总是可以按上式计算。必须注意式中 $\varphi$ 是相电压与相电流之间的相位差,而不是线电压与线电流之间的相位差。对于三相负载来说,$\varphi$ 也就是负载的阻抗角。
无功功率
在对称三相电路中,不论星形联结或三角形联结,电源或负载的无功功率为
表观功率
三相电源或三极负载的表观功率为
对于对称三相电路,三相电源或三相负载的表观功率为
功率因数角
三相电源或三相负载的功率因数定义为
在对称三相电路中
功率因数角 $\varphi^{\prime}$ 与 $\varphi$ 的意义相同,就是相电压与相电流之间的相位差。
- 在不对称三相电路中,功率因数角 $\varphi^{\prime}$ 不是相电压与相电流之间的相位差,此时,$\varphi^{\prime}$ 是没有实际意义的计算量。
三相电路功率的测量
电路图
一功率表法
- 适用情况:
在三相四线制情况下,如果电路是三相对称的,则可用一功率表法,即用一个功率表进行三相电路功率的测量,此时功率表测得的平均功率的三倍就是三相负载的平均功率。
二功率表法
- 适用情况:
在测量三相三线制电路的平均功率时,不论负载对称与否,都可以采用两功率表法,即用两个功率表进行三相电路功率的测量。三相负载可以是星形联结的,也可以是三角形联结的。 - 测量结果:
设功率表 $W_1$ 及 $W_2$ 测得的平均功率分别为 $P_1$ 和 $P_2$,则- 三相负载的平均功率为
- 三相负载的无功功率为(三相电路正序)
- 三相负载的功率因数角为(三相电路正序)
三功率表法
- 适用情况:
在三相四线制电路中,如果负载不对称,则功率测量一般要用三个功率表。每个功率表测出一相负载的平均功率,三个功率表测出的平均功率之和就是三相负载的平均功率。
本博客所有文章除特别声明外,均采用 CC BY-NC-ND 4.0 协议 ,转载请注明出处!














































































